PRODUCTS
- 首頁
- 產品介紹
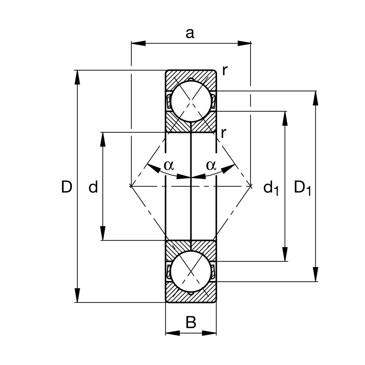
| d | 17 mm | 內徑 |
| D | 40 mm | 外徑 |
| B | 12 mm | 寬度 |
| Cr | 15,900 N | 基本額定動載荷,徑向 |
| C0r | 10,500 N | 基本額定靜態負荷,徑向 |
| Cur | 550 N | 疲勞負載極限,徑向 |
| nG | 34,500 1/min | 極限轉速 |
| nϑr | 15,800 1/min | 參考轉速 |
| ≈m | 83 g | 重量 |
| da min | 21 mm | 軸肩最小直徑 |
| Da max | 36 mm | 殼肩最大直徑 |
| ra max | 0.6 mm | 最大圓角半徑 |
| rmin | 0.6 mm | 最小倒角尺寸 |
| D1 | 31.9 mm | 外圈肩徑 |
| d1 | 24.8 mm | 內圈肩徑 |
| a | 20 mm | 壓力錐頂點之間的距離 |
| α | 35 ° | 接觸角 |
| Tmin | -30 °C | 最低工作溫度 |
| Tmax | 150 °C | 最高操作溫度 |
| Cage | MPA | 黃銅實體保持架,外圈引導 |
| Tolerance class | PN | 正常(PN) |
| Dimensional / heat stabilization | S0 | 環尺寸穩定達 150° |
| Axial internal clearance | CN | 正常組(標準間隙) |