PRODUCTS
- 首頁
- 產品介紹
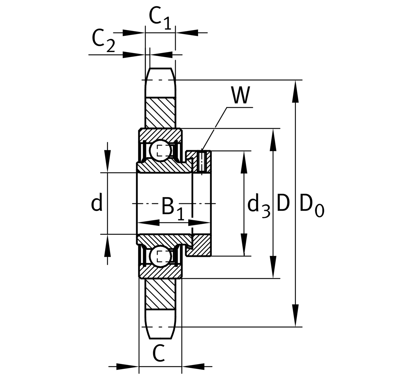
| d | 15 mm | 內徑 |
| d | 0.018 mm | 公差上限 |
| d | 0 mm | 較低的公差 |
| C1 | 8.7 mm | 厚度 of sprocket |
| D0 | 71.3 mm | Pitch circle diameter (gearing) |
| Dk | 78 mm | Tip diameter (gearing) |
| ≈m | 0.52 kg | 重量 |
| p | 15.875 mm | Tooth set |
| z | 14 | Number of teeth |
x | ISO chain | |
x | ANSI chain | |
| W | M6 X 0,75 mm | Width accros flats |
| C2 | 1.3 mm | 倒角寬度 |
| D | 40 mm | 外徑 |
| B1 | 28.3 mm | 鎖環總寬度 |
| C | 12 mm | 外圈寬度 |
| d3 | 28.4 mm | 鎖緊環/鎖緊螺帽外徑 |
| d3 | 28.4 mm | 外徑 eccentric locking collar |
| W | 3 mm | 平面寬度 |
| B1 | 28.3 mm | Locking collar width |