PRODUCTS
- 首頁
- 產品介紹
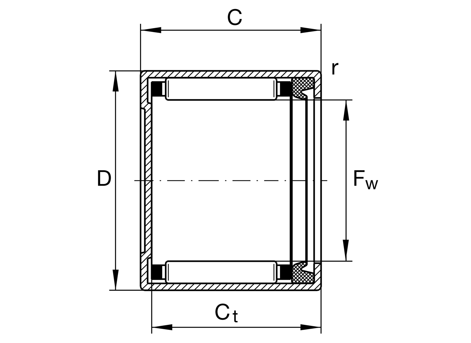
| Fw | 15 mm | 下輥直徑 |
| D | 21 mm | 外徑 |
| C | 14 mm | 外圈寬度 |
| Cr | 7,800 N | 基本額定動載荷,徑向 |
| C0r | 9,800 N | 基本額定靜態負荷,徑向 |
| Cur | 1,210 N | 疲勞負載極限,徑向 |
| nG Grease | 9,900 1/min | 脂潤滑的極限轉度 |
| nG | 9,900 1/min | 極限轉速 |
| ≈m | 13.9 g | 重量 |
| rmin | 0.8 mm | 最小倒角尺寸 |
| Ct min | 11.3 mm | Minimum width to base of drawn cup with closed end |
| Tmin | -20 °C | 最低工作溫度 |
| Tmax | 100 °C | 最高操作溫度 |
| Coating | 沒有 | |
| Sealing | RS | 接觸式密封 on one sides |