中軸事業
關於我們
最新消息
技術專欄
產品介紹
型號搜尋
聯絡我們
繁體中文
English
Tiếng Việt
繁體中文
English
Tiếng Việt
PRODUCTS
首頁
產品介紹
FAG
INA
Schaeffler
INA
ANS.LFS52
End piece ANS.LFS52
加入詢價
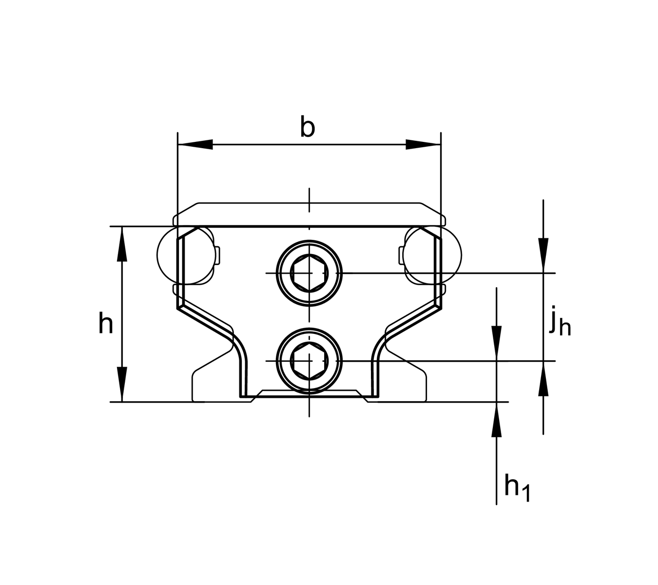
主要尺寸與性能資料
b
45
mm
G
M6
h
30
mm
h
1
7
mm
j
h
15
mm
s
10
mm
t
10
mm
≈m
84
g
重量
Related products
LFS
LFS52
Guide rail
您目前的產品型號
Size code
52
加入詢價
上一項產品
回到列表
下一項產品
End piece ANS.LFS52
已將您選擇的品項
加入詢價清單
非常感謝您!
選擇更多商品
瀏覽詢價清單