中軸事業
關於我們
最新消息
技術專欄
產品介紹
型號搜尋
聯絡我們
繁體中文
English
Tiếng Việt
繁體中文
English
Tiếng Việt
PRODUCTS
首頁
產品介紹
FAG
INA
Schaeffler
INA
ANS.LFS120
End piece ANS.LFS120
加入詢價
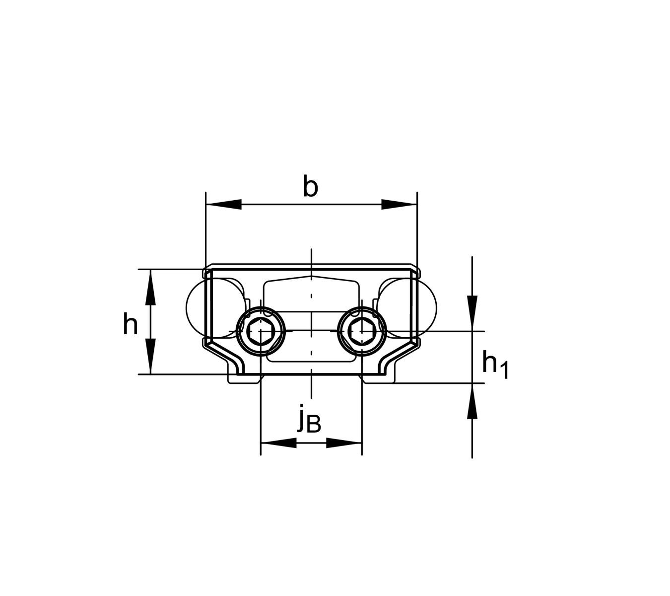
主要尺寸與性能資料
b
114
mm
G
M6
h
16
mm
h
1
8
mm
j
B
80
mm
s
5
mm
t
10
mm
≈m
66
g
重量
Related products
LFS
LFS120
Guide rail
您目前的產品型號
Size code
120
加入詢價
上一項產品
回到列表
下一項產品
End piece ANS.LFS120
已將您選擇的品項
加入詢價清單
非常感謝您!
選擇更多商品
瀏覽詢價清單