PRODUCTS
- 首頁
- 產品介紹
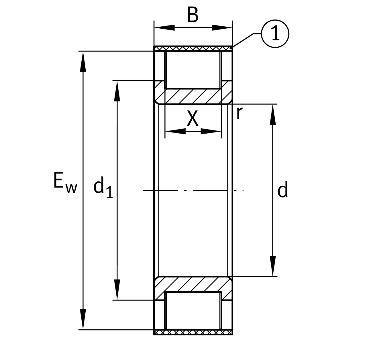
| d | 100 mm | 內徑 |
| Ew | 139.65 mm | Outer envelope circle |
| B | 37 mm | 寬度 |
| Cr | 216,000 N | 基本額定動載荷,徑向 |
| C0r | 300,000 N | 基本額定靜態負荷,徑向 |
| Cur | 43,500 N | 疲勞負載極限,徑向 |
| nG | 2,600 1/min | 極限轉速 |
| ≈m | 1.369 kg | 重量 |
| da min | 116 mm | 軸肩最小直徑 |
| X | 22 mm | raceway width |
| rmin | 1.5 mm | 最小倒角尺寸 |
| d1 | 116 mm | 內圈最大擋邊直徑 |
| TK | 124.65 mm | pitch circle |
| Tmin | -30 °C | 最低工作溫度 |
| Tmax | 120 °C | 最高操作溫度 |
| Design | A | Internal Variant Cage A |
| Tolerance class | PN | 正常(PN) |
| Number of rolling element rows | 1 | 單列設計 |