PRODUCTS
- 首頁
- 產品介紹
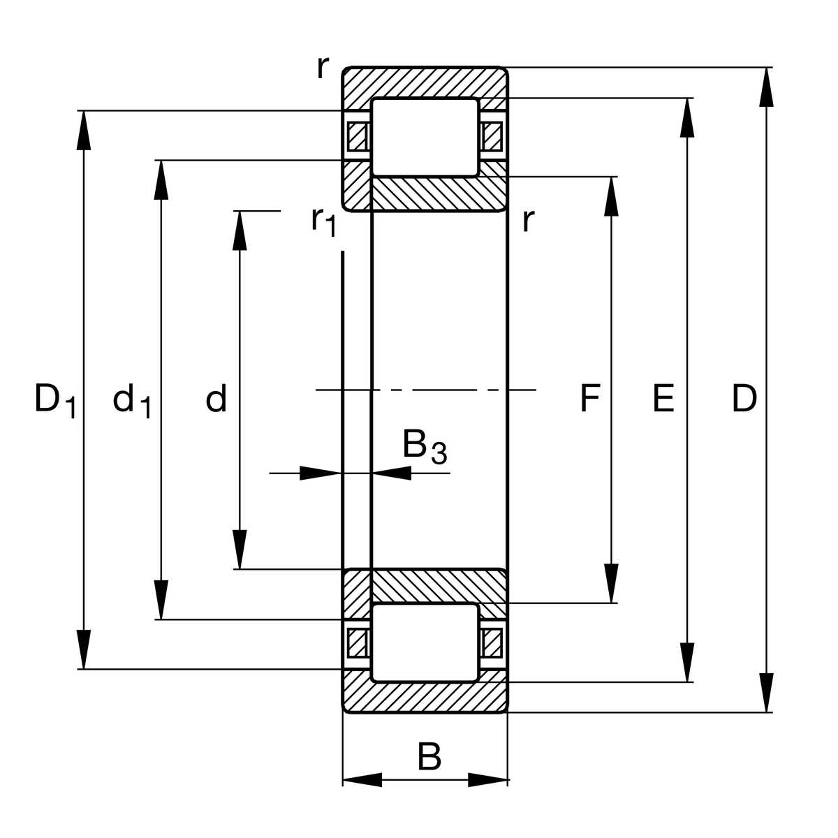
| d | 100 mm | 內徑 |
| D | 180 mm | 外徑 |
| B | 46 mm | 寬度 |
| Cr | 395,000 N | 基本額定動載荷,徑向 |
| C0r | 445,000 N | 基本額定靜態負荷,徑向 |
| Cur | 77,000 N | 疲勞負載極限,徑向 |
| nG | 6,800 1/min | 極限轉速 |
| nϑr | 2,900 1/min | 參考轉速 |
| ≈m | 5.5 kg | 重量 |
| d1 | 127.3 mm | 內圈最大擋邊直徑 |
| D1 min | 156.9 mm | 外圈最小擋邊直徑 |
| da min | 112 mm | 軸肩最小直徑 |
| dc min | 130 mm | 最小軸肩 |
| Da max | 168 mm | 殼肩最大直徑 |
| ra max | 2 mm | 最大凹槽半徑 |
| rmin | 2.1 mm | 最小倒角尺寸 |
| r1 min | 2.1 mm | 最小倒角尺寸 |
| E | 163 mm | 外圈滾道直徑 |
| F | 119 mm | 內圈滾道直徑 |
| B3 | 6 mm | 鬆配肋寬度 |
| Tmin | -30 °C | 最低工作溫度 |
| Tmax | 150 °C | 最高操作溫度 |
| Design | E | 增加額定載荷設計 |
| Cage | M1 | 兩片式黃銅保持架滾輪引導 |
| Radial internal clearance | C3 (Group 3) | 內部間隙大於CN |
| Tolerance class | PN | 正常(PN) |
| Number of rolling element rows | 1 | 單列設計 |