PRODUCTS
- 首頁
- 產品介紹
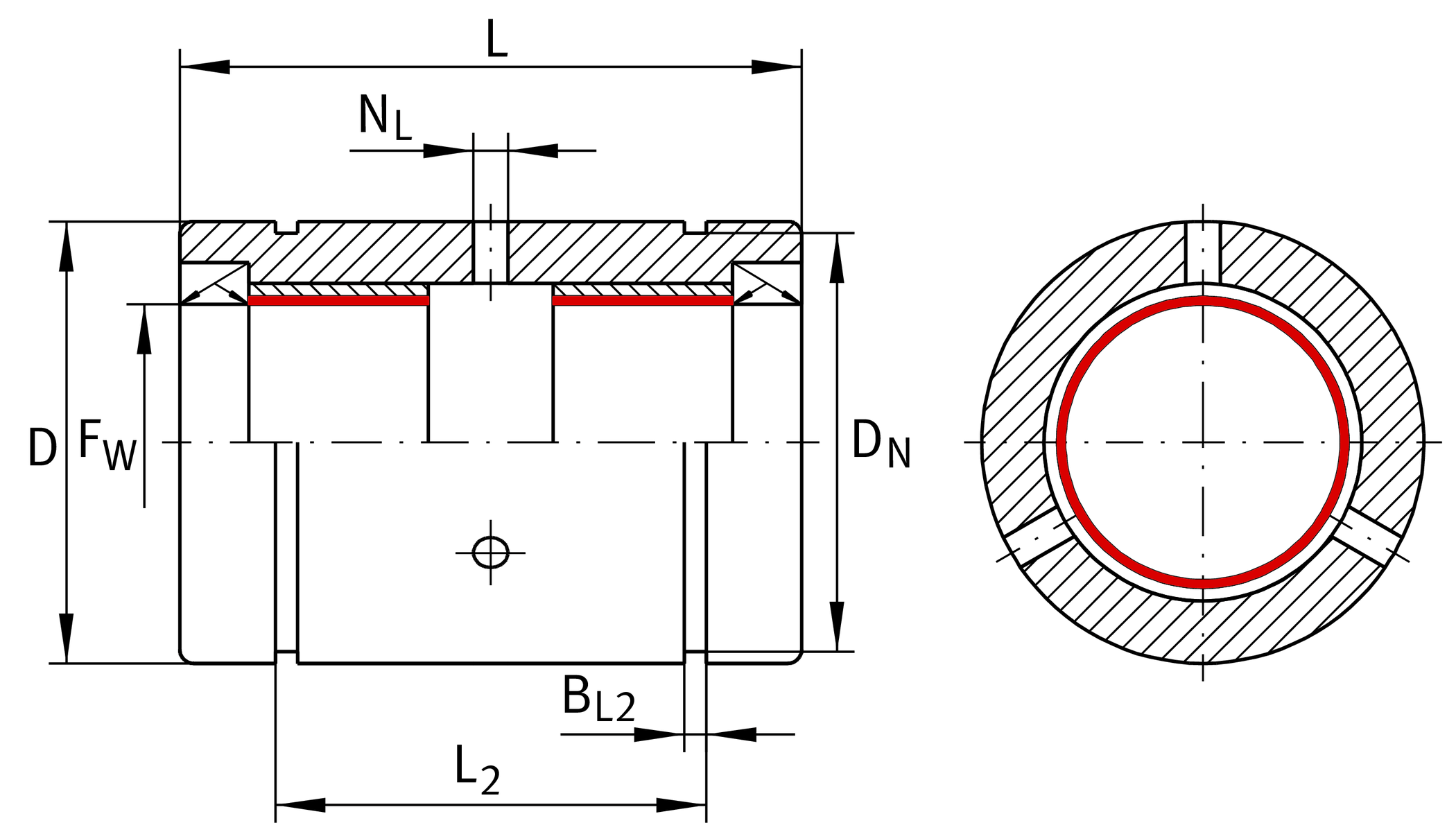
| FW | 12 mm | Diameter of ball complement |
| D | 22 mm | 外徑 |
| Tol D | h7 | Tolerance |
| L | 32 mm | 長度 |
| Tol L | h12 | Tolerance |
| C0 | 60,000 N | load capacity stat. C0 1 |
| ≈m | 26 g | 重量 |
| L2 | 22.6 mm | Mounting Dimension 2 |
| Tol L2 | H13 | Tolerance |
| BL2 | 1.3 mm | 3 |
| Tol BL2 | H13 | Tolerance |
| DN | 21 mm | |
| NL | 2.5 mm | |
| Tol NL | H13 | Tolerance |
| Size code | 12 | |
| Seal | PP | |
| Relubrication feature | AS |