PRODUCTS
- 首頁
- 產品介紹
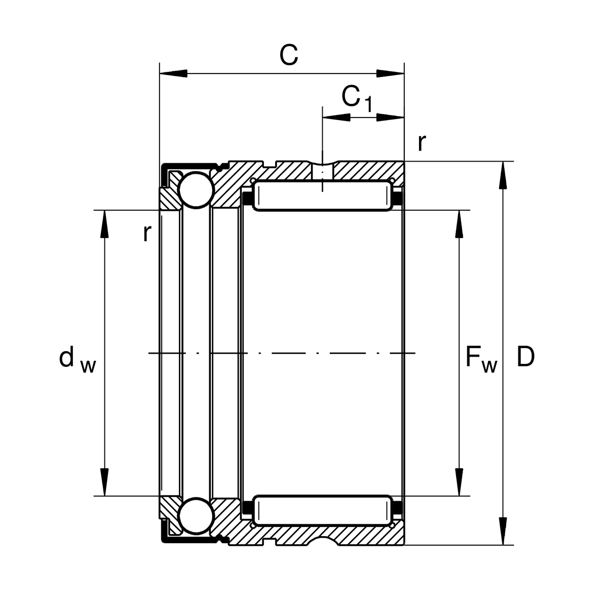
| Fw | 12 mm | 內徑 |
| D | 21 mm | 外徑 |
| C | 18 mm | 高度 |
| Cr | 5,400 N | 基本額定動載荷,徑向 |
| C0r | 4,300 N | 基本額定靜態負荷,徑向 |
| Ca | 4,850 N | 基本額定動載荷,軸向 |
| C0a | 8,200 N | 基本額定靜態載荷,軸向 |
| Cur | 840 N | 疲勞負載極限,徑向 |
| Cua | 375 N | 疲勞負荷極限,軸向 |
| nG | 9,500 1/min | 極限轉速 |
| ≈m | 23.69 g | 重量 |
| da | 16.6 mm | Mounting dimension shaft shoulder |
| ra max | 0.3 mm | 最大凹槽半徑 |
| D1 | 23.7 mm | Connection diameter snap ring |
| C2 | 10 mm | Connection width with snap ring |
| C1 | 4.7 mm | 至潤滑孔距離 |
| C2 | 4.7 mm | 至潤滑孔距離 |
| dw | 12 mm | 內徑 of shaft washer |
| rmin | 0.3 mm | 最小倒角尺寸 |
| Tmin | -30 °C | 最低工作溫度 |
| Tmax | 120 °C | 最高操作溫度 |
IR8X12X10-IS1-XL | Suitable inner rings IR | |
WR21, SW21 | Snap ring |
| Sealing | Z | Bearing with end cap |
| Cage | Standard | Standard |