PRODUCTS
- 首頁
- 產品介紹
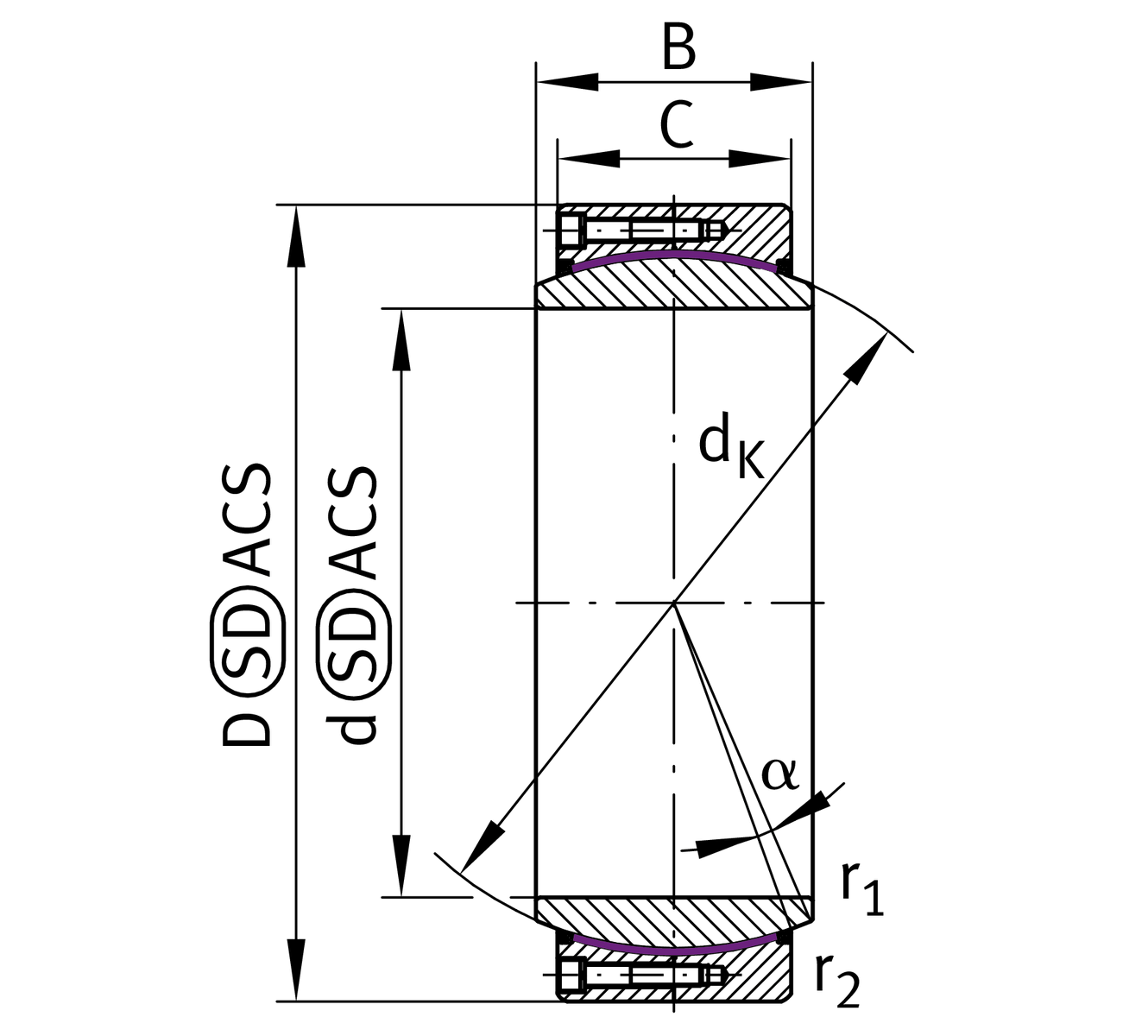
| d | 600 mm | 內徑 bearing |
| D | 800 mm | 外徑 bearing |
| B | 272 mm | 內圈寬度 |
| C | 230 mm | Width Outer ring |
| Cr | 42,400,000 N | 基本額定動載荷,徑向 |
| C0r | 70,700,000 N | 基本額定靜態負荷,徑向 |
| ≈m | 406.3 kg | 重量 |
| r1smin | 2 mm | 邊緣間距 |
| r2smin | 5 mm | 邊緣間距 |
| Da min | 667 mm | 軸承座 Connection Diameter |
| damax | 644.9 mm | Connection measurement, inner ring |
| dK | 700 mm | 球直徑 |
| α | 3.6 ° | 傾斜角度 |
| DOT | 0 mm | 外徑、公差上限 |
| DUT | -0.075 mm | 外徑,公差下限 |
| BOT | 0 mm | 內圈寬度, 公差上限 |
| dUT | -0.05 mm | 內徑 bearing, 較低的公差 |
| BUT | -0.5 mm | 內圈寬度, 較低的公差 |
| dOT | 0 mm | 內徑 bearing, 公差上限 |
| COT | 0 mm | Width outer ring, 公差上限 |
| CUT | -1.1 mm | Width outer ring, 較低的公差 |
| Gr | 0 - 0,16 | 徑向間隙 |
| Grmax | 0.16 mm | 最大徑向間隙 |
| Grmin | 0 mm | 徑向間隙,最小 |
| Tmin | -40 °C | 最低工作溫度 |
| Tmax | 120 °C | 最高操作溫度 |
| Sealing | 2RS2 | lip seals with increased sealing action on both sides |
| Bore lining | 沒有 | |
| Coating | 沒有 | |
| Material | W1 | Inner and outer ring made from corrosion-resistant steel |
| Fabric | ELGOGLIDE | ELGOGLIDE |