PRODUCTS
- 首頁
- 產品介紹
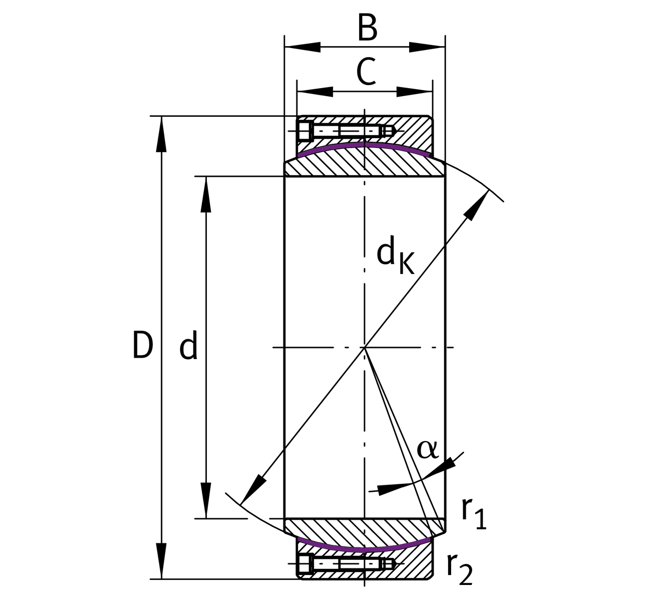
| d | 398.8 mm | 內徑 bearing |
| D | 540 mm | 外徑 bearing |
| B | 190 mm | 內圈寬度 |
| C | 160 mm | Width Outer ring |
| Cr | 22,600,000 N | 基本額定動載荷,徑向 |
| C0r | 37,600,000 N | 基本額定靜態負荷,徑向 |
| ≈m | 133 kg | 重量 |
| r1smin | 1.5 mm | 邊緣間距 |
| r2smin | 4 mm | 邊緣間距 |
| Da min | 447 mm | 軸承座 Connection Diameter |
| damax | 429.8 mm | Connection measurement, inner ring |
| dK | 470 mm | 球直徑 |
| α | 3.9 ° | 傾斜角度 |
| dT | H8 | 內徑 bearing, tolerance |
| DOT | 0 mm | 外徑、公差上限 |
| DUT | -0.05 mm | 外徑,公差下限 |
| BOT | 0 mm | 內圈寬度, 公差上限 |
| dUT | 0 mm | 內徑 bearing, 較低的公差 |
| BUT | -0.4 mm | 內圈寬度, 較低的公差 |
| dOT | 0.089 mm | 內徑 bearing, 公差上限 |
| COT | 0 mm | Width outer ring, 公差上限 |
| CUT | -1 mm | Width outer ring, 較低的公差 |
| Gr | 0 - 0,135 | 徑向間隙 |
| Grmax | 0.135 mm | 最大徑向間隙 |
| Grmin | 0 mm | 徑向間隙,最小 |
| Tmin | -50 °C | 最低工作溫度 |
| Tmax | 150 °C | 最高操作溫度 |
| Sealing | 沒有 | |
| Bore lining | W7 | Inner ring bore with ELGOGLIDE lining, inside diameter d reduced by ELGOGLIDE 厚度 |
| Coating | 沒有 | |
| Material | Steel | Steel |
| Fabric | W11 | For low contact pressures (starting as low as 1 N/mm²) and minimal friction |