PRODUCTS
- 首頁
- 產品介紹
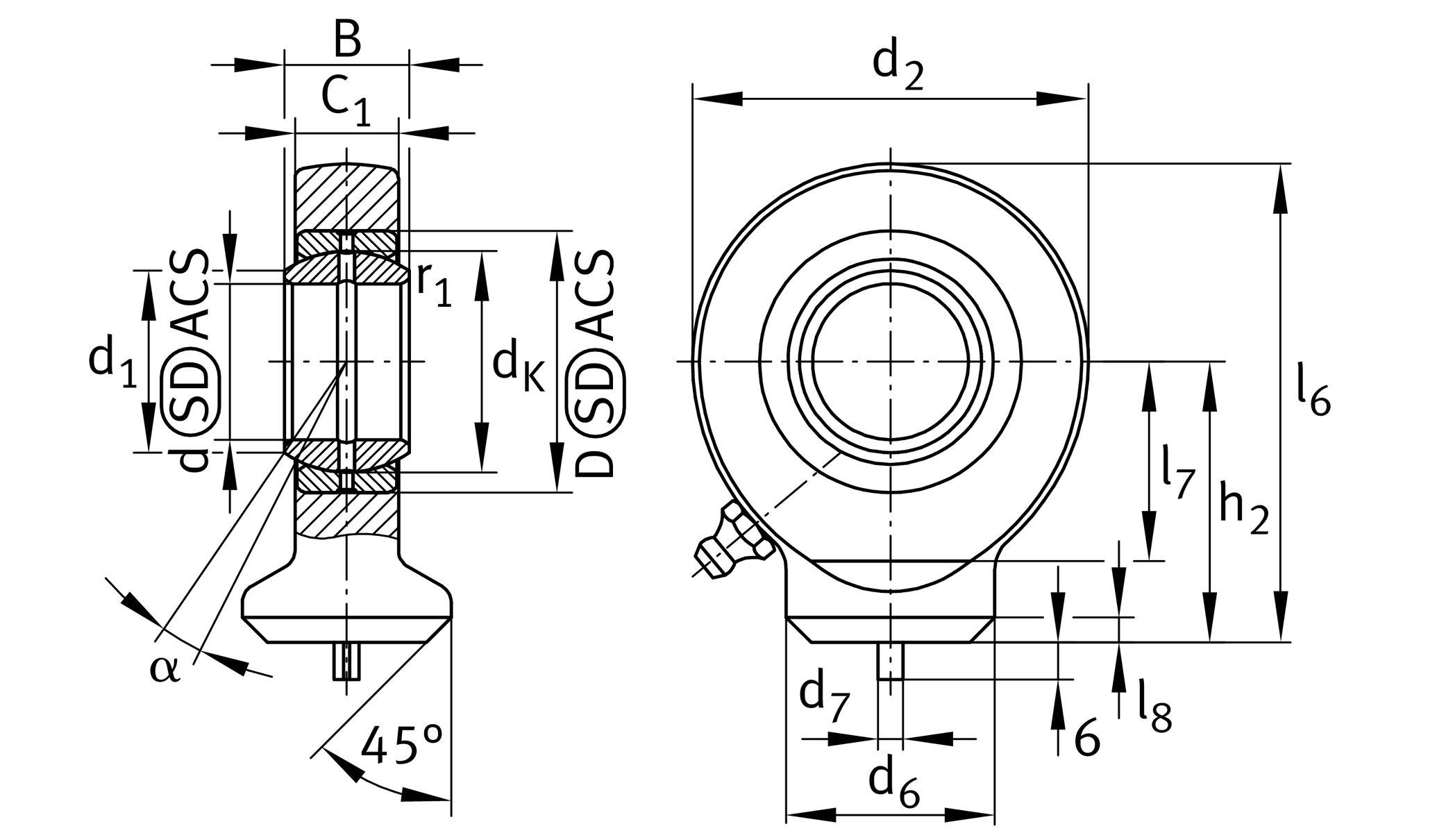
| d2 | 102 mm | 外眼徑 |
| D | 68 mm | 外徑 bearing |
| C0r | 208,000 N | 基本額定靜態負荷,徑向 |
| ≈m | 1.57 kg | 重量 |
| h2 | 77 mm | Shank Length Welding Head |
| d 6 | 58 mm | Welding 柄徑 |
| C1 max | 27.35 mm | 桿端寬度, max. |
| C1 | 27 mm | 桿端寬度 |
| l6 | 128 mm | 總長度 welding head |
| l7 | 51 mm | 軸心鑽孔起始距離 |
| l8 | 4 mm | Chamfer |
| d7 | 4 mm | Centering pin diameter |
| Tmin | -60 °C | 最低工作溫度 |
| Tmax | 200 °C | 最高操作溫度 |