PRODUCTS
- 首頁
- 產品介紹
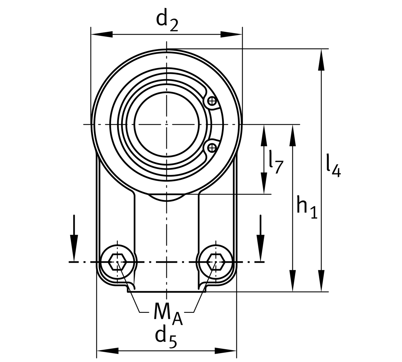
| d2 | 185 mm | 外眼徑 |
| D | 130 mm | 外徑 bearing |
| C0r | 750,000 N | 基本額定靜態負荷,徑向 |
| ≈m | 13.94 kg | 重量 |
| d3 | M72x3 | 螺紋尺寸 |
| d4 | 100 mm | 柄徑 |
| h1 | 195 mm | 柄長 內螺紋頭 |
| C1 max | 73 mm | 桿端寬度, max. |
| C1 | 72 mm | 桿端寬度 |
| l7 | 85 mm | 軸心鑽孔起始距離 |
| l4 | 296 mm | 內螺紋頭總長度 |
| l3 | 91 mm | 螺紋長度 內螺紋 |
| d5 | 160 mm | 柄直徑,大 |
| FZ | 400,000 N | Cylinder Force |
| MA | 455 Nm | Tightening torque |
| Tmin | -60 °C | 最低工作溫度 |
| Tmax | 200 °C | 最高操作溫度 |