PRODUCTS
- 首頁
- 產品介紹
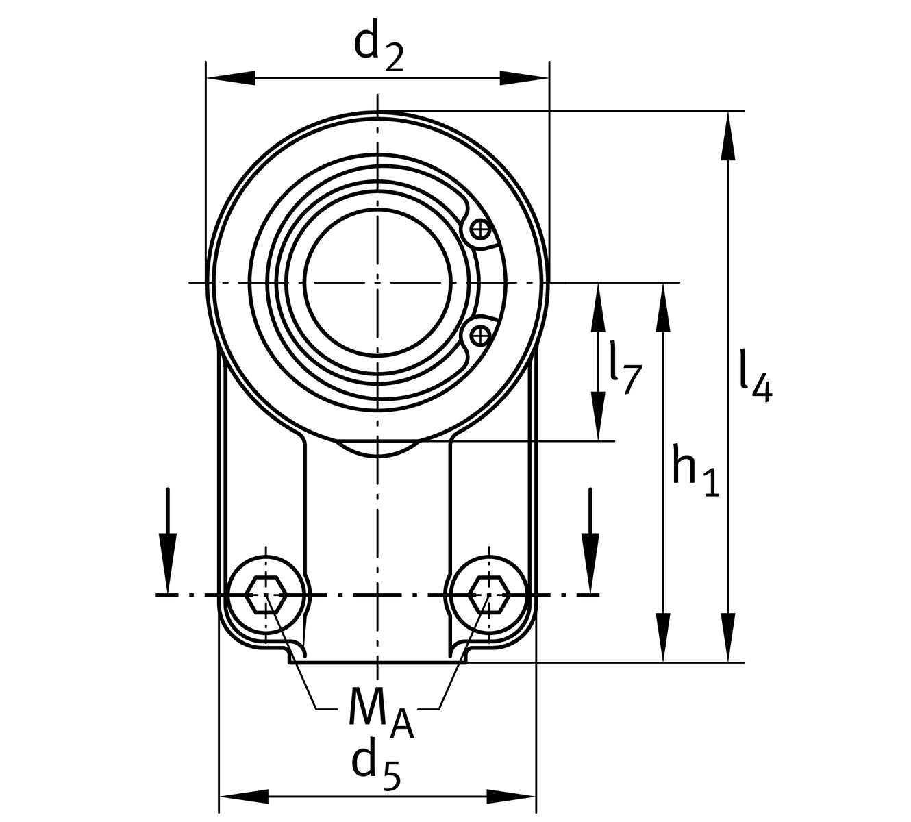
| d2 | 58 mm | 外眼徑 |
| D | 42 mm | 外徑 bearing |
| C0r | 69,900 N | 基本額定靜態負荷,徑向 |
| ≈m | 0.52 kg | 重量 |
| d3 | M20x1,5 | 螺紋尺寸 |
| d4 | 30 mm | 柄徑 |
| h1 | 65 mm | 柄長 內螺紋頭 |
| C1 max | 22.7 mm | 桿端寬度, max. |
| C1 | 22 mm | 桿端寬度 |
| l7 | 27 mm | 軸心鑽孔起始距離 |
| l4 | 96 mm | 內螺紋頭總長度 |
| l3 | 29 mm | 螺紋長度 內螺紋 |
| d5 | 54 mm | 柄直徑,大 |
| FZ | 32,000 N | Cylinder Force |
| MA | 32 Nm | Tightening torque |
| Tmin | -60 °C | 最低工作溫度 |
| Tmax | 200 °C | 最高操作溫度 |