PRODUCTS
- 首頁
- 產品介紹
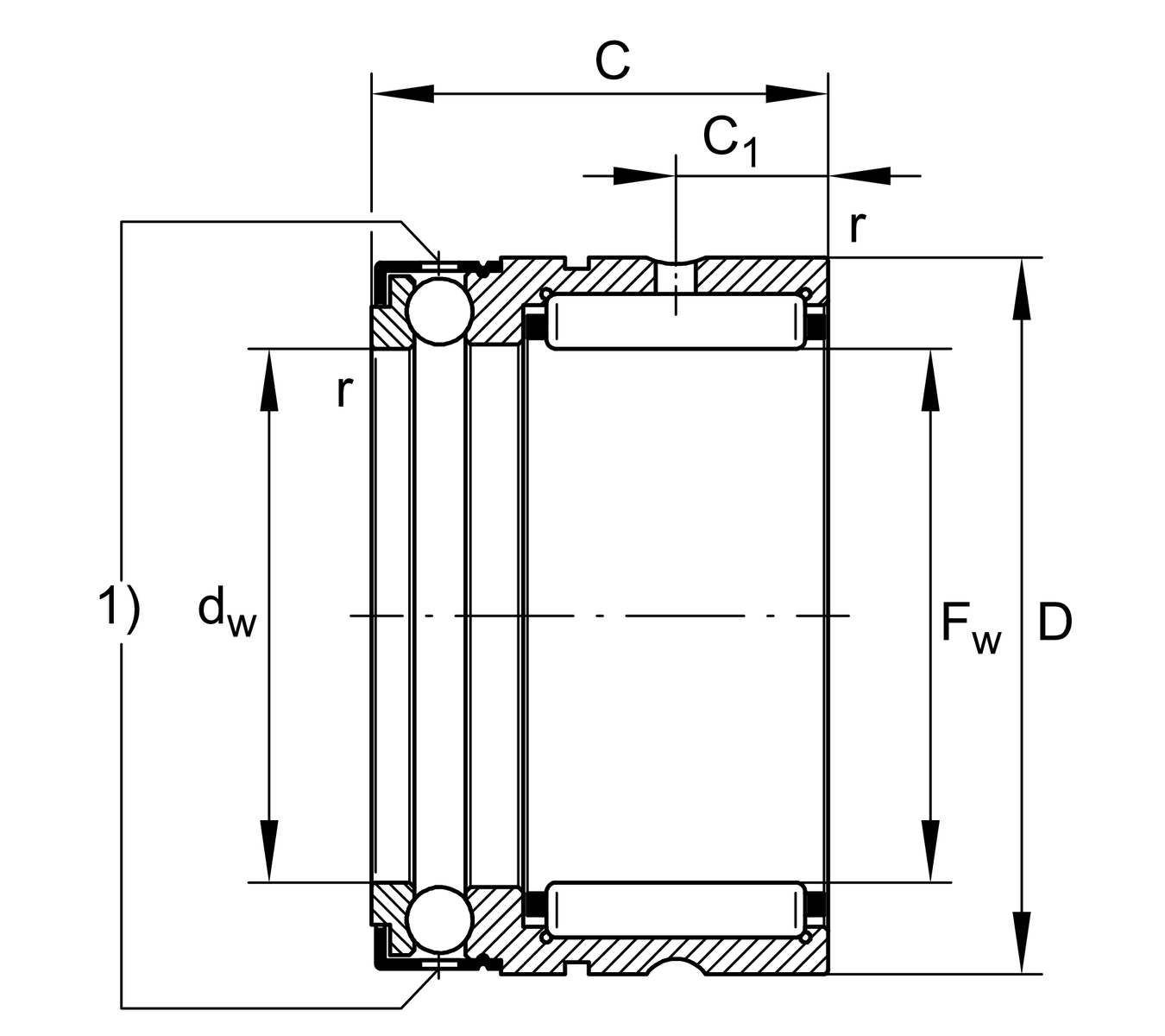
| Fw | 7 mm | 內徑 |
| D | 14 mm | 外徑 |
| C | 18 mm | 高度 |
| Cr | 3,250 N | 基本額定動載荷,徑向 |
| C0r | 2,650 N | 基本額定靜態負荷,徑向 |
| Ca | 3,150 N | 基本額定動載荷,軸向 |
| C0a | 4,300 N | 基本額定靜態載荷,軸向 |
| Cur | 420 N | 疲勞負載極限,徑向 |
| Cua | 195 N | 疲勞負荷極限,軸向 |
| nG | 15,000 1/min | 極限轉速 |
| ≈m | 0.012 kg | 重量 |
| da | 9.6 mm | Mounting dimension shaft shoulder |
| ra max | 0.3 mm | 最大凹槽半徑 |
| D1 | 16.5 mm | Connection diameter snap ring |
| C2 | 10 mm | Connection width with snap ring |
| C1 | 4.7 mm | 至潤滑孔距離 |
| C2 | 4.7 mm | 至潤滑孔距離 |
| dw | 7 mm | 內徑 of shaft washer |
| rmin | 0.3 mm | 最小倒角尺寸 |
| Tmin | -30 °C | 最低工作溫度 |
| Tmax | 120 °C | 最高操作溫度 |
WR14, SW14 | Snap ring |
| Sealing | 沒有 | |
| Cage | TV | PA66 塑膠保持架 |