PRODUCTS
- 首頁
- 產品介紹
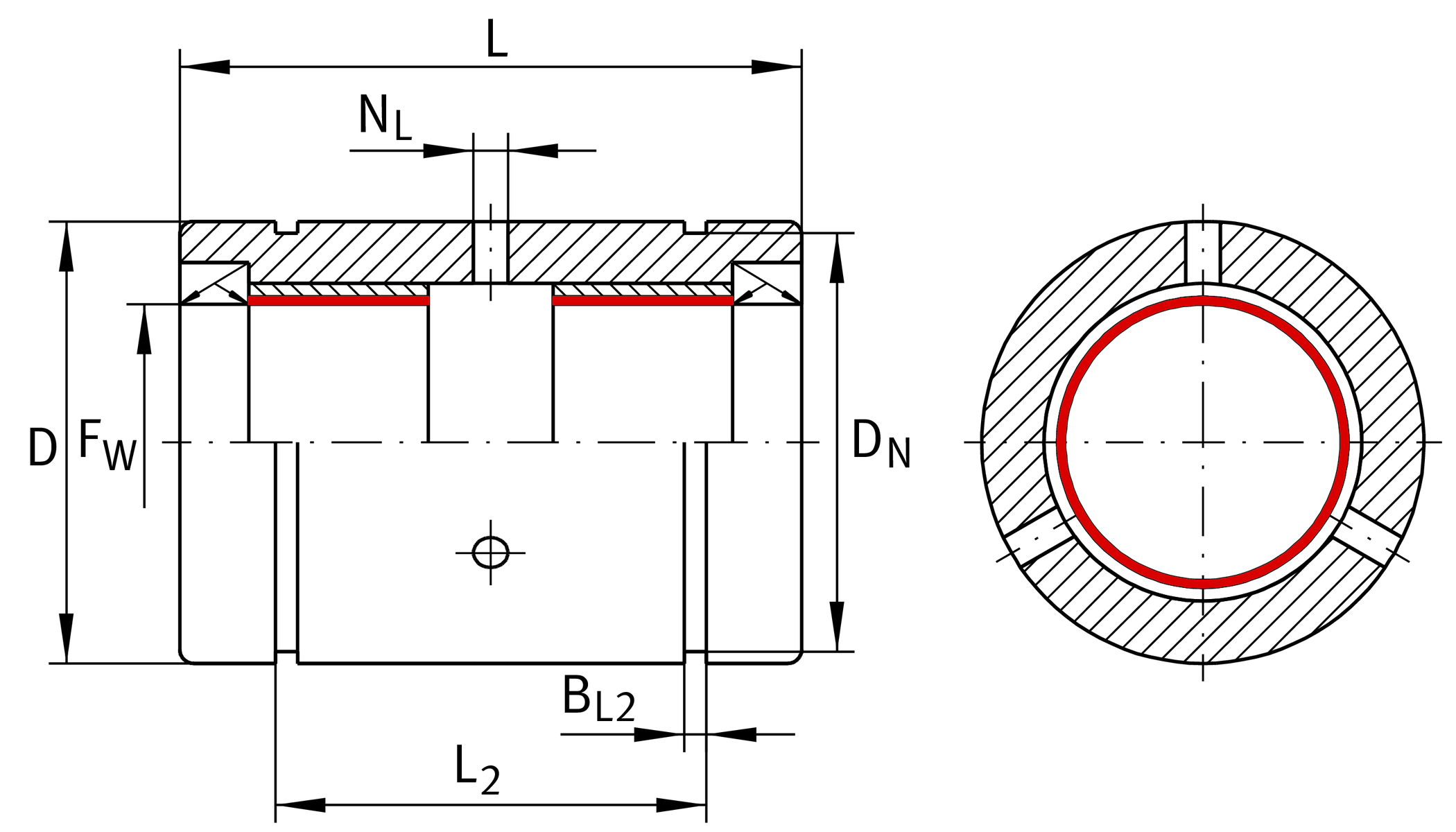
| FW | 50 mm | Diameter of ball complement |
| D | 75 mm | 外徑 |
| L | 100 mm | 長度 |
| Tol L | h12 | Tolerance |
| C0 | 1,000,000 N | load capacity stat. C0 1 |
| ≈m | 0.657 kg | 重量 |
| L2 | 77.3 mm | Mounting Dimension 2 |
| Tol L2 | H13 | Tolerance |
| BL2 | 2.65 mm | 3 |
| Tol BL2 | H13 | Tolerance |
| DN | 72 mm | |
| B2 | 22.7 mm | 4 |
| T4 | 1.5 mm | |
| N4 | 3 mm | |
| NL | 4 mm | |
| Tol NL | H13 | Tolerance |
| a | 54 ° | Angle |
| Size code | 50 | |
| Seal | PP | |
| Relubrication feature | AS |