PRODUCTS
- 首頁
- 產品介紹
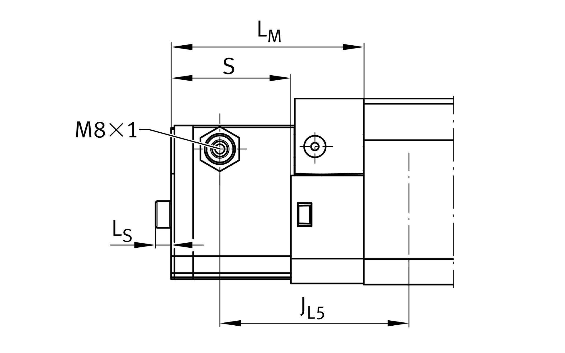
| K1 | M5x65 | screw K1 |
| LS | 5 mm | dimension screw K1 |
S 3 | 內六角套筒 screw K1 | |
| MA | 0.5 Nm | tightening torque screw K1 |
| S | 37.2 mm | dimension |
| ≈m | 0.72 kg | 重量 |
| B | 125 mm | 寬度 |
| A3 | 17.9 mm | mounting dimension |
| H | 78.3 mm | 高度 |
| LM | 62.8 mm | dimension |
| JL5 | 80 | mounting dimension |
| JL5 | 88.2 | mounting dimension for long carriage |
Yes | KIT suitable for very slight degree of contamination | |
Yes | KIT suitable for slight degree of contamination | |
Yes | KIT suitable for moderate degree of contamination | |
Yes | KIT suitable for heavy degree of contamination |
Yes | KIT can be retrofitted |
Yes | Large increase in displacement force |
| Size code | 65 | |
| Suffix | E | Suffix |
| Design | H | high carriage |
| retrofitability | OS | retrofitting by the customer |
| KIT-number | 531 | KIT end number |