PRODUCTS
- 首頁
- 產品介紹
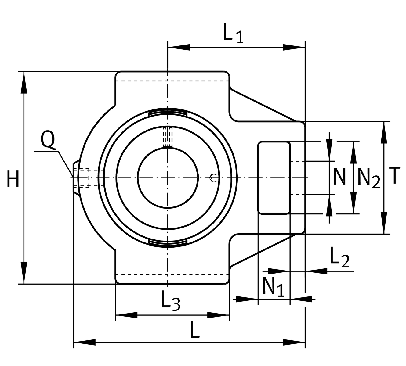
| d | 45 mm | 內徑 |
| H | 115 mm | 高度 |
| L | 141 mm | Length total |
| B1 | 43.8 mm | 鎖環總寬度 |
| ≈m | 2.32 kg | 重量 |
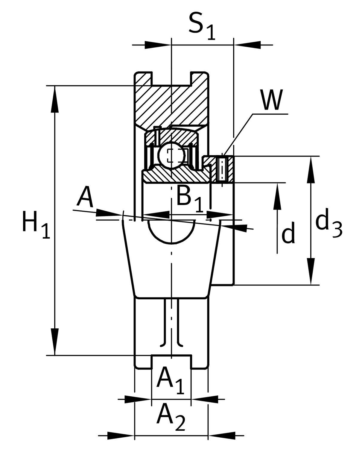
| A1 | 16 mm | Width guidance groove |
H13 | Width guidance groove clearance | |
| H1 | 102 mm | Distance guidance grooves |
0.15 mm | Upper distance guidance groove tolerance | |
-0.15 mm | Lower distance guidance groove tolerance | |
| N | 29 mm | 固定內徑 |
| L1 | 88 mm | Distance shaft axis |
| L2 | 16 mm | Length fixed link |
| L3 | 82 mm | Length guidance groove |
| A | 50 mm | Width 軸承座 fixing side |
| N1 | 20 mm | Width recess |
| N2 | 49 mm | Height recess |
| S1 | 32.8 mm | Distance of raceway to locking collar |
| T | 82 mm | 外殼高度 fixing side |
| Q | M6 | 用於潤滑的連接螺紋 |
| A2 | 35 mm | Width 軸承座 |
TUE09 | 軸承座 | |
GRAE45-XL-NPP-B | 軸承型號 |
| Tmin | -20 °C | 最低工作溫度 |
| Tmax | 120 °C | 最高操作溫度 |
| Material | GG | 灰鑄鐵 |