PRODUCTS
- 首頁
- 產品介紹
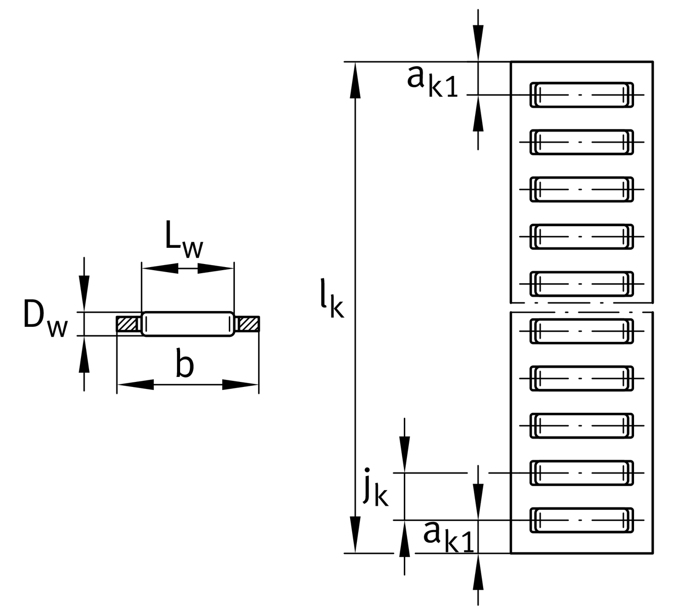
| lk max | 6,000 mm | Max. length 1 |
| DW | 12 mm | Rolling element diameter |
| b | 22 mm | |
| C | 178,800 N | Load capacity dyn. 2 |
| C0 | 288,300 N | Load capacity stat. 2 |
| ≈m | 1,220 g/m | 重量 |
| EB | 22.4 mm | |
| Tol EB | +0,2 | tolerance |
| EB1 | 18 mm | min. |
| EH | 11 mm |
| LW | 18 mm | Length rolling element |
| jk | 16 mm | |
| ak1 | 10 mm |
| Size code | 12022 |