PRODUCTS


INA
SL185008-S3-A-R200-250
Cylindrical roller bearing SL185008-S3-A-R200-250
加入詢價
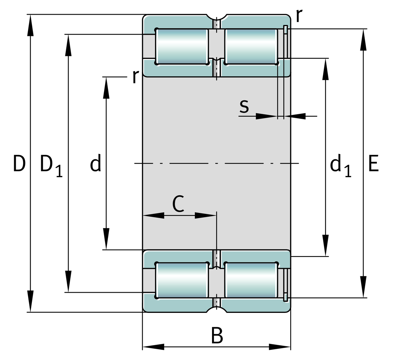
主要尺寸與性能資料
d
40 mm
內徑
D
68 mm
外徑
B
38 mm
寬度
Cr
100,000 N
基本額定動載荷,徑向
C0r
133,000 N
基本額定靜態負荷,徑向
Cur
18,400 N
疲勞負載極限,徑向
nG
6,300 1/min
極限轉速
nϑr
4,200 1/min
參考轉速
≈m
535.5 g
重量

安裝尺寸
dc min
50.5 mm
最小軸肩
da min
50.5 mm
軸肩最小直徑
Da max
57.1 mm
殼肩最大直徑
ra max
1 mm
最大凹槽半徑
ra1 max
1.5 mm
最大凹槽半徑
De min
57.1 mm
外殼肩部最小直徑

尺寸
rmin
1 mm
最小倒角尺寸
r1 min
1.5 mm
最小倒角尺寸
s
1.5 mm
軸向位移
C
19 mm
至潤滑孔距離
d1
50.5 mm
內圈最大擋邊直徑
D1 min
57.1 mm
外圈最小擋邊直徑
E
61.74 mm
外圈滾道直徑

溫度範圍
Tmin
-30 °C
最低工作溫度
Tmax
120 °C
最高操作溫度

您目前的產品型號
DesignA內部優化設計A
Tolerance classPN正常(PN)
Number of rolling element rows2雙列設計
加入詢價