PRODUCTS
- 首頁
- 產品介紹
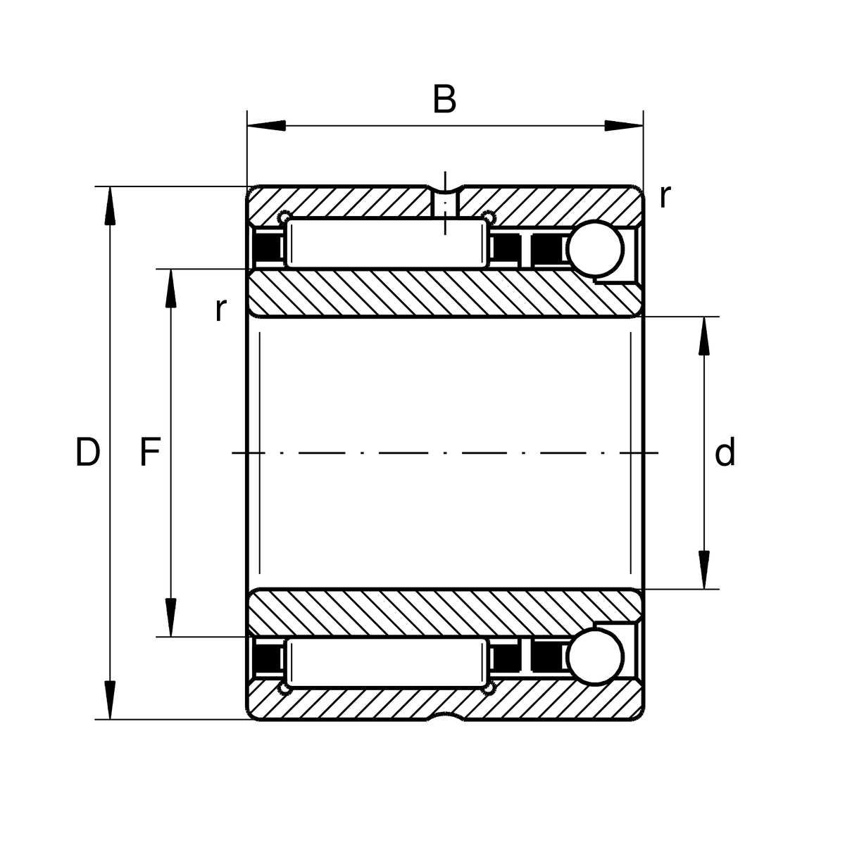
| d | 70 mm | 內徑 |
| D | 100 mm | 外徑 |
| B | 40 mm | 寬度 |
| Cr | 95,000 N | 基本額定動載荷,徑向 |
| C0r | 156,000 N | 基本額定靜態負荷,徑向 |
| Ca | 16,800 N | 基本額定動載荷,軸向 |
| C0a | 44,500 N | 基本額定靜態載荷,軸向 |
| Cur | 28,000 N | Fatigue limit load, radial |
| Cur | 28,000 N | 疲勞負載極限,徑向 |
| Cua | 2,020 N | 疲勞負荷極限,軸向 |
| nG | 5,800 1/min | 極限轉速 |
| nϑr | 4,900 1/min | 參考轉速 |
| ≈m | 968.13 g | 重量 |
| F | 80 mm | 內圈滾道直徑 |
| rmin | 1 mm | 最小倒角尺寸 |