PRODUCTS
- 首頁
- 產品介紹
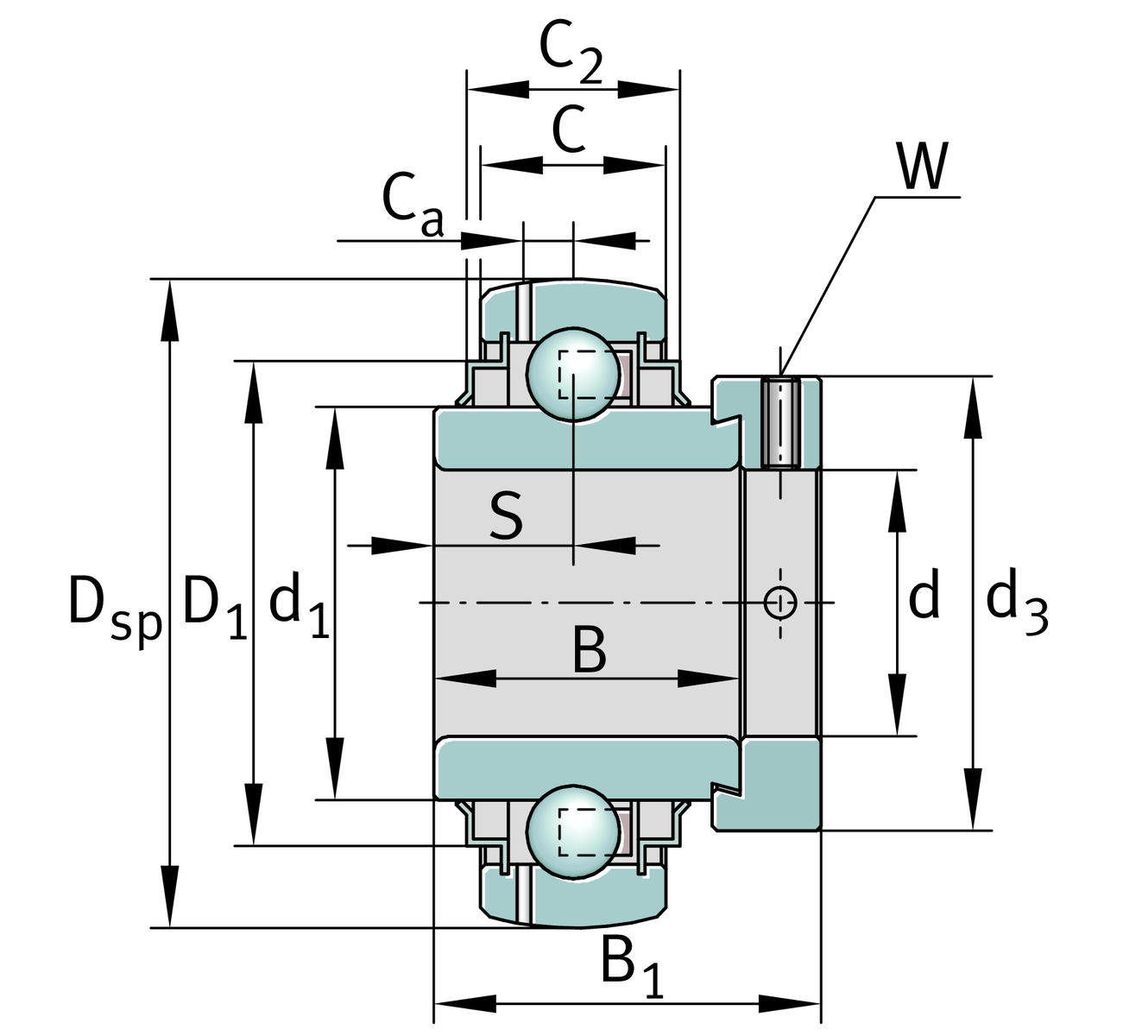
| d | 70 mm | 內徑 |
| DSP | 150 mm | 外徑 |
| B | 58 mm | 寬度 |
| Cur | 3,400 N | 疲勞負載極限,徑向 |
| B1 | 75.5 mm | 鎖環總寬度 |
| Cr | 104,000 N | 基本額定動載荷,徑向 |
| C0r | 68,000 N | 基本額定靜態負荷,徑向 |
| ≈m | 4.059 kg | 重量 |
| C | 37 mm | 外圈寬度 |
| C2 | 41 mm | 封口總寬度 |
| S | 26 mm | 滾道距離 |
| d1 | 92.2 mm | 內圈擋邊直徑 |
| D1 | 127 mm | 外徑密封 |
| Ca | 12 mm | 至潤滑孔距離 |
| d3 | 102 mm | 鎖緊環/鎖緊螺帽外徑 |
| W | 6 mm | 平面寬度 |
| f0 | 13.2 | 計算參數 |
| Sealing | KRR | 兩側唇形密封 |
| Shape of outer surface | B |