PRODUCTS
- 首頁
- 產品介紹
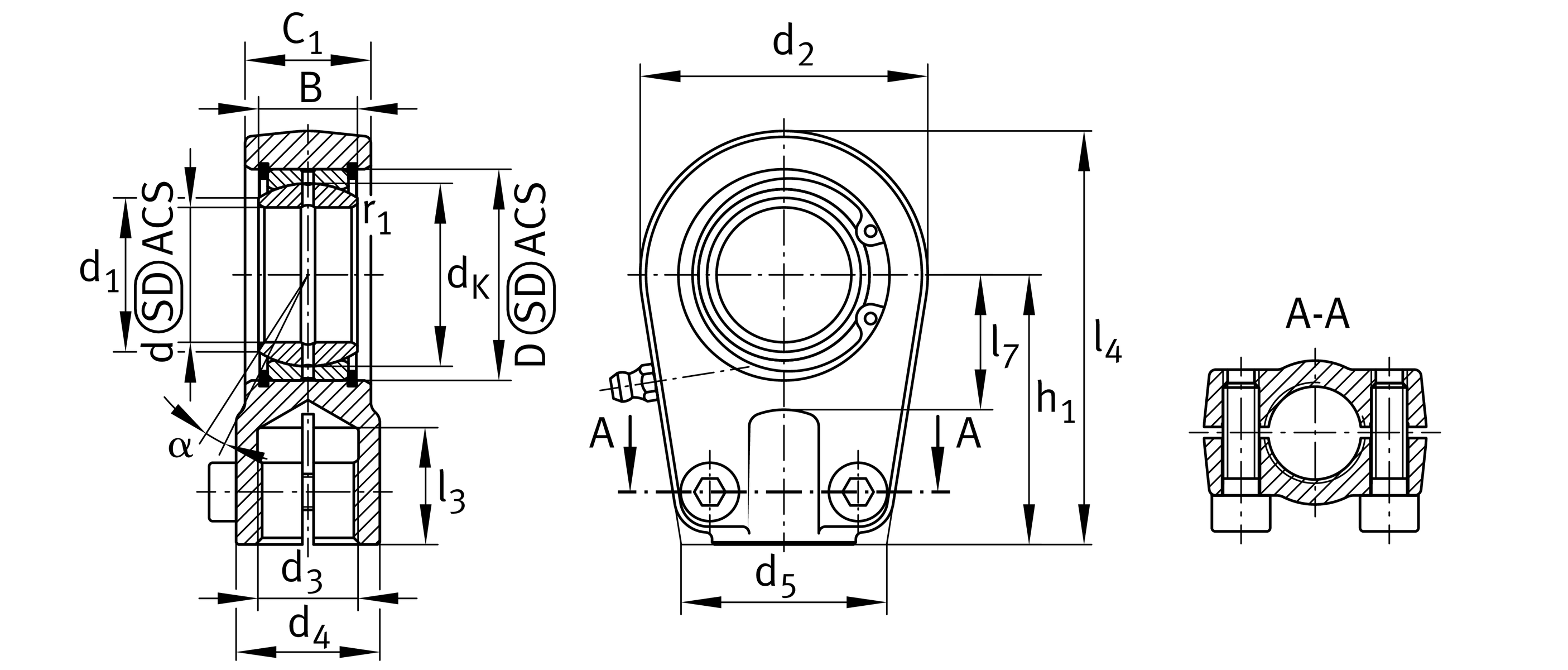
| Cr | 883,000 N | 基本額定動載荷,徑向 |
| C0r | 441,000 N | 基本額定靜態負荷,徑向 |
| d | 70 mm | 內徑 bearing |
| D | 105 mm | 外徑 bearing |
| l4 | 232 mm | 內螺紋頭總長度 |
| B | 49 mm | 內圈寬度, |
| d2 | 154 mm | 外眼徑 |
| ≈m | 8.5 kg | 重量 |
| dK | 92 mm | 球直徑 |
| d3 | M65x1,5 | 螺紋尺寸 |
| d4 | 86 mm | 柄徑 |
| h1 | 150 mm | 柄長 內螺紋頭 |
| C1 | 55 mm | 桿端寬度 |
| α | 6 ° | 傾斜角度 |
| l3 | 66 mm | 螺紋長度 內螺紋 |
| l7 | 75 mm | 軸心鑽孔起始距離 |
| d 7 | M12x50 | Diameter |
| d5 | 100 mm | 柄直徑,大 |
| Gr | 0 - 0,072 | 徑向間隙 |
| MA | 80 Nm | Tightening torque |
| dOT | 0 mm | 內徑 bearing, 公差上限 |
| dUT | -0.015 mm | 內徑 bearing, 較低的公差 |
| BOT | 0 mm | 內圈寬度, 公差上限 |
| BUT | -0.15 mm | 內圈寬度, 較低的公差 |
| Grmax | 0.072 mm | 最大徑向間隙 |
| Grmin | 0 mm | 徑向間隙,最小 |
| Tmin | -30 °C | 最低工作溫度 |
| Tmax | 130 °C | 最高操作溫度 |
| d1 | 77.9 mm | 外法蘭直徑 內圈 |
| r1smin | 1 mm | 邊緣間距 |
| Sealing | 2RS | 兩側唇形密封 |