PRODUCTS
- 首頁
- 產品介紹
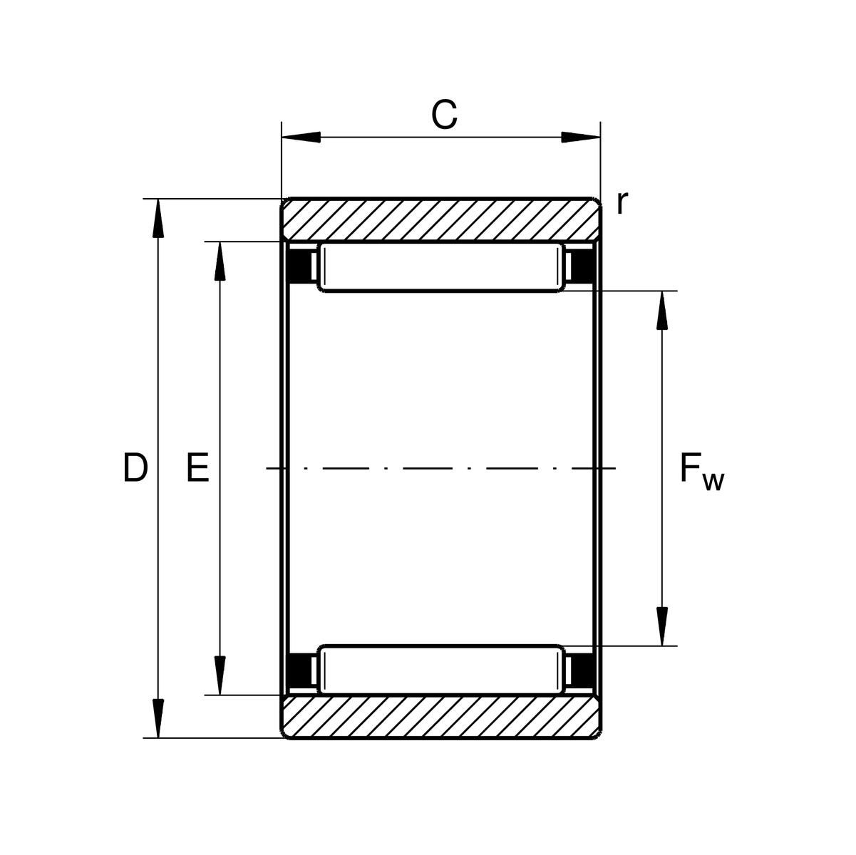
| Fw | 12 mm | 下輥直徑 |
| D | 22 mm | 外徑 |
| B | 12 mm | 寬度 |
| Cr | 10,000 N | 基本額定動載荷,徑向 |
| C0r | 9,900 N | 基本額定靜態負荷,徑向 |
| Cur | 1,430 N | 疲勞負載極限,徑向 |
| nG | 26,000 1/min | 極限轉速 |
| nG Grease | 15,500 1/min | 脂潤滑的極限轉度 |
| nϑr | 19,700 1/min | 參考轉速 |
| ≈m | 17.5 g | 重量 |
| ra max | 0.3 mm | 最大凹槽半徑 |
| db | 17.6 mm | Shoulder diameter axial guidance NK/shaft |
| Da | 18.3 mm | 外圈肩徑 |
| Db | 12.3 mm | Shoulder diameter axial guidance NK/軸承座 |
| rmin | 0.3 mm | 最小倒角尺寸 |
| E | 18 mm | 外圈滾道直徑 |
| C | 12 mm | 外圈寬度 |
| Tmin | -30 °C | 最低工作溫度 |
| Tmax | 120 °C | 最高操作溫度 |
| Cage | TV | PA66 塑膠保持架 |
| Lubrication hole | 沒有 | 沒有 |
| Coating | 沒有 | |
| Sealing | 沒有 | |
| Special features | 沒有 | |
| Number of rolling element rows | 1 | 單列設計 |