PRODUCTS
- 首頁
- 產品介紹
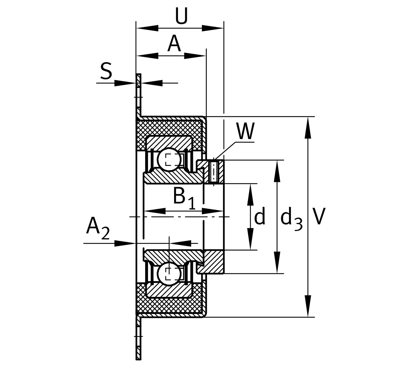
| d | 12 mm | 內徑 |
| L | 70 mm | 法蘭寬度 |
| H | 114 mm | Height flange |
| U | 34.8 mm | 總高度單位 |
| Cr | 9,800 N | 基本額定動載荷,徑向 |
| C0r | 4,750 N | 基本額定靜態負荷,徑向 |
| Cur | 248 N | 疲勞負載極限,徑向 |
| C0r G | 900 N | Load carrying capacity (軸承座) |
| Cg | 900 N | Load carrying capacity (軸承座) |
| ≈m | 0.27 kg | 重量 |
| J | 92 mm | 固定內孔距離 |
| N | 10.5 mm | 固定內徑 |
| n | 2 | 螺絲孔數 |
| A | 27 mm | 外殼高度 |
| A2 | 12.7 mm | 滾道距離 |
| S | 1.5 mm | 厚度 of flange |
| V | 68 mm | Shoulder diameter 軸承座 |
2 | 外殼數量 | |
FLAN65-RCSMF | 軸承座 | |
GRG.RCSM40/65 | Rubber interliner designation | |
RAE12-XL-NPP-FA106 | 軸承型號 |
| Tmin | -20 °C | 最低工作溫度 |
| Tmax | 120 °C | 最高操作溫度 |
| Material | Stahlblech | Steel sheet |