PRODUCTS
- 首頁
- 產品介紹
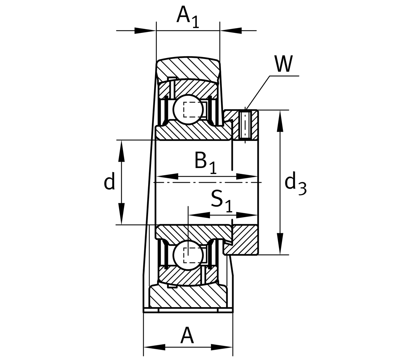
| d | 12 mm | 內徑 |
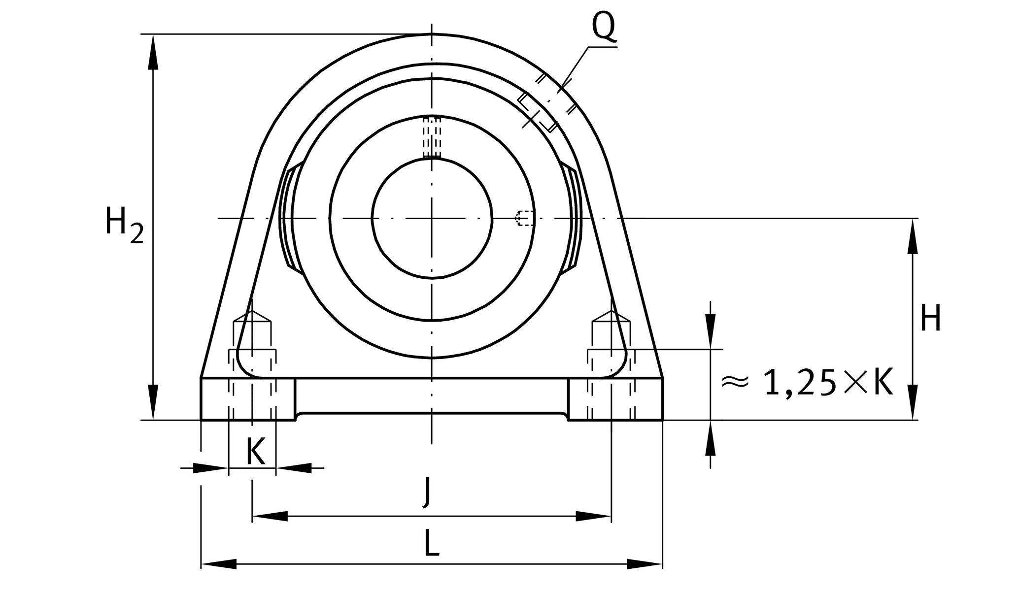
| L | 63 mm | Length total |
| H2 | 57 mm | 高度 |
| ≈m | 0.4 kg | 重量 |
| J | 47 mm | 固定內孔距離 |
| K | M8 | Thread 固定內徑 |
| H | 30.2 mm | Distance shaft axis |
| A | 30 mm | Width (base) |
| A1 | 18 mm | Width (head) |
| Q | M6 | 用於潤滑的連接螺紋 |
| B1 | 28.6 mm | 鎖環總寬度 |
| S1 | 22.1 mm | Distance of raceway to locking collar |
SHE03 | 軸承座 | |
GRAE12-XL-NPP-B | 軸承型號 |
| Tmin | -20 °C | 最低工作溫度 |
| Tmax | 120 °C | 最高操作溫度 |
| Material | GG | 灰鑄鐵 |