PRODUCTS
- 首頁
- 產品介紹
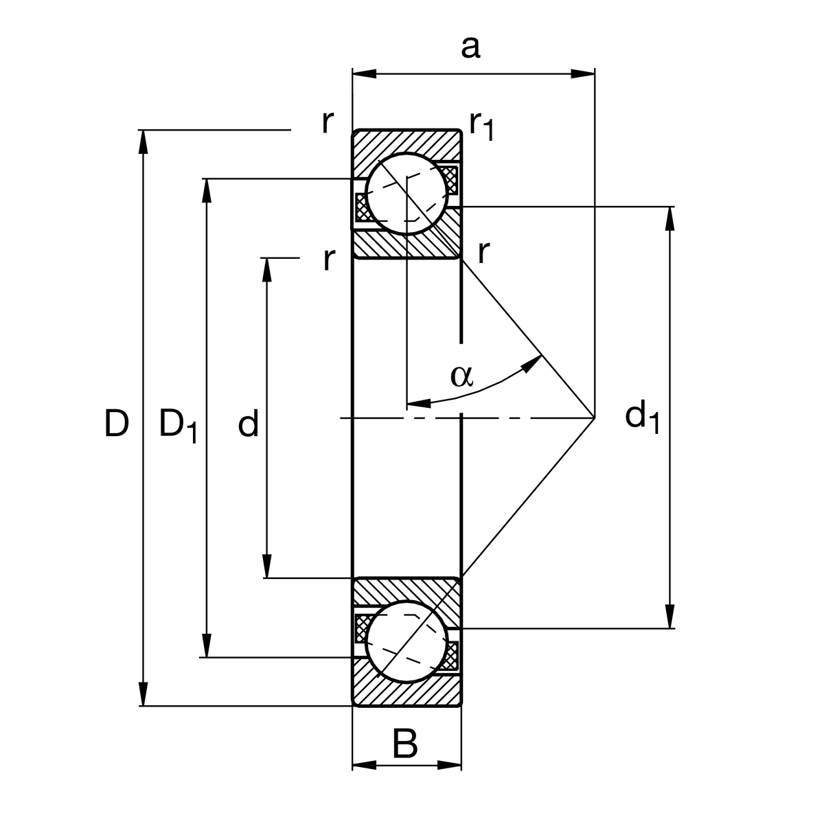
| d | 380 mm | 內徑 |
| D | 480 mm | 外徑 |
| B | 31 mm | 寬度 |
| Cr | 164,000 N | 基本額定動載荷,徑向 |
| C0r | 330,000 N | 基本額定靜態負荷,徑向 |
| Cur | 8,200 N | 疲勞負載極限,徑向 |
| nG | 1,950 1/min | 極限轉速 |
| nϑr | 990 1/min | 參考轉速 |
| ≈m | 13.8 kg | 重量 |
| da min | 388.8 mm | 軸肩最小直徑 |
| Da max | 471.2 mm | 殼肩最大直徑 |
| Db max | 475.4 mm | 殼肩最大直徑 |
| ra max | 2 mm | 軸最大圓角半徑 |
| ra1 max | 1 mm | 外殼最大圓角半徑 |
| rmin | 2 mm | 最小倒角尺寸 |
| r1 min | 1 mm | 最小倒角尺寸 |
| D1 | 438.7 mm | 外圈寬側面台肩直徑 |
| d1 | 421.3 mm | 內圈寬側面台肩直徑 |
| a | 139.6 mm | 壓力錐頂點之間的距離 |
| α | 30 ° | 接觸角 |
| Tmin | -30 °C | 最低工作溫度 |
| Tmax | 200 °C | 最高操作溫度 |
| Sealing | 沒有 | 未密封 |
| Cage | MP | 黃銅實體保持架, ball guided |
| Tolerance class | PN | 正常(PN) |
| Dimensional / heat stabilization | S1 | 環尺寸穩定達 200° |
| Lubricant | 沒有 | 軸承未潤滑 |