PRODUCTS
- 首頁
- 產品介紹
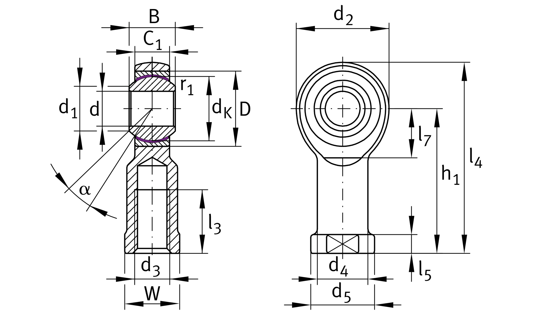
| Cr | 24,000 N | 基本額定動載荷,徑向 |
| C0r | 20,800 N | 基本額定靜態負荷,徑向 |
| d | 12 mm | 內徑 bearing |
| d2 | 32 mm | 外眼徑 |
| l4 | 66 mm | 內螺紋頭總長度 |
| ≈m | 0.12 kg | 重量 |
| C1 | 12 mm | 桿端寬度 |
| D | 26 mm | 外徑 bearing |
| B | 16 mm | 內圈寬度 |
| dK | 22.225 mm | 球直徑 |
| d3 | M12 | 螺紋尺寸 |
| d4 | 17.5 mm | 柄徑 |
| d5 | 22 mm | 柄直徑,大 |
| h1 | 50 mm | 柄長 內螺紋頭 |
| α | 13 ° | 傾斜角度 |
| l3 | 22 mm | 螺紋長度 內螺紋 |
| l5 | 6.5 mm | 桿端柄長度 |
| l7 | 17 mm | 軸心鑽孔起始距離 |
| W | 19 mm | 平面寬度 |
| dUT | 0 mm | 內徑 bearing, 較低的公差 |
| dT | H7 | 內徑 bearing, tolerance |
| dOT | 0.018 mm | 內徑 bearing, 公差上限 |
| BUT | -0.12 mm | 內圈寬度, 較低的公差 |
| BOT | 0 mm | 內圈寬度, 公差上限 |
| Gr | 0 - 0,035 | 徑向間隙 |
| Grmin | 0 mm | 徑向間隙,最小 |
| Grmax | 0.035 mm | 最大徑向間隙 |
| r1smin | 0.3 mm | 邊緣間距 |
| d1 | 15.4 mm | 外法蘭直徑 內圈 |
| Tmin | -50 °C | 最低工作溫度 |
| Tmax | 200 °C | 最高操作溫度 |
| Sealing | 沒有 |