PRODUCTS
- 首頁
- 產品介紹
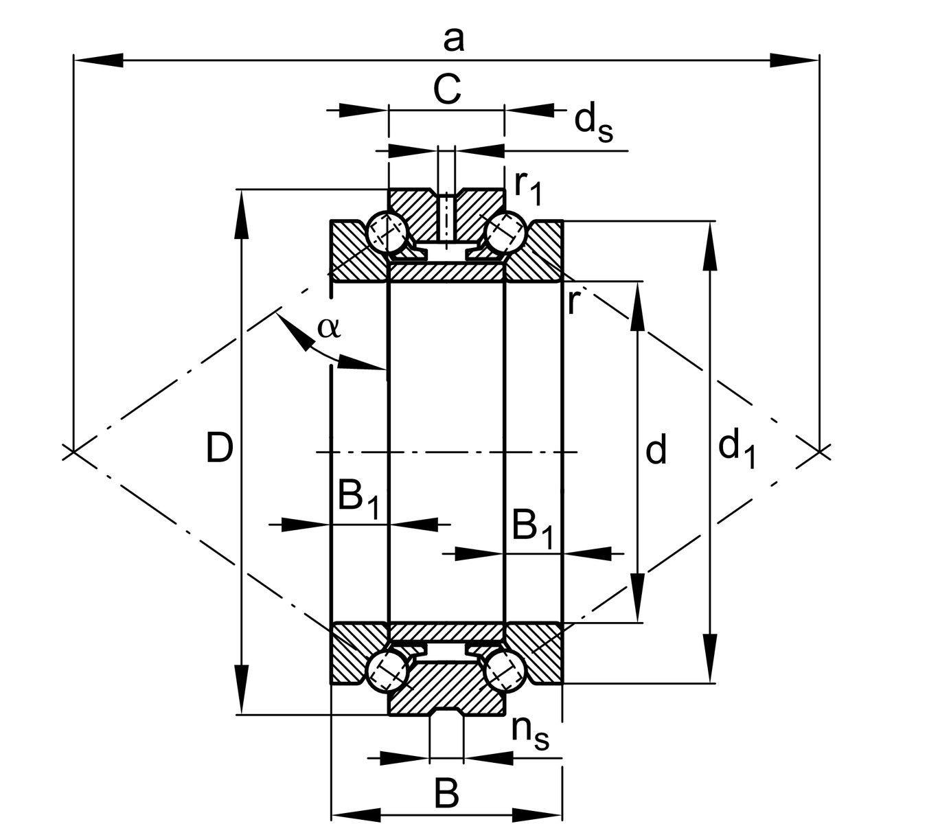
| d | 70 mm | 內徑 |
| D | 110 mm | 外徑 |
| B | 48 mm | 寬度 |
| C | 24 mm | 外圈寬度 |
| Ca | 45,500 N | 基本額定動載荷,軸向 |
| C0a | 133,000 N | 基本額定靜態載荷,軸向 |
| Cua | 12,300 N | 疲勞負荷極限,軸向 |
| nG Grease | 5,300 1/min | 脂潤滑的極限轉度 |
| nG Oil | 7,000 1/min | 油潤滑極限轉速 |
| ≈m | 1.493 kg | 重量 |
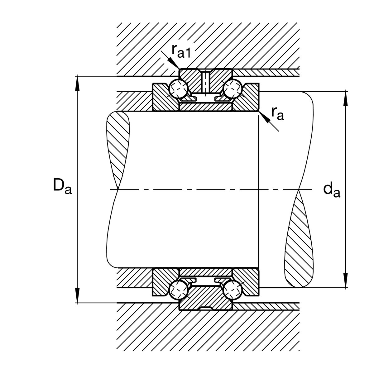
| da | 86.5 mm | 直徑軸肩 |
| da | h12 | 直徑軸肩間隙 |
| Da | 103.5 mm | 外圈肩徑 |
| Da | H12 | 軸肩直徑 外圈游隙 |
| ra max | 1.1 mm | 最大凹槽半徑 |
| ra1 max | 0.3 mm | 最大凹槽半徑 |
| α | 60 ° | 接觸角 |
| a | 183 mm | 壓力錐頂點之間的距離 |
| d1 | 97 mm | 軸墊圈裂口直徑 |
| B1 | 12 mm | Height wave disc |
| rmin | 1.1 mm | 最小倒角尺寸 |
| r1 min | 0.3 mm | 最小倒角尺寸 |
| ds | 3.2 mm | 潤滑孔直徑 |
| ns | 6.5 mm | 潤滑溝寬度 |
| Tmin | -30 °C | 最低工作溫度 |
| Tmax | 150 °C | 最高操作溫度 |
| ca | 552 N/µm | Axial rigidity |
| KaE | 926 N | Lift-off force |
| Fv | 325 N | 預緊力 |
| Cage | M | 實體黃銅保持架 |
| Tolerance class | SP | 公差等級SP |