PRODUCTS
- 首頁
- 產品介紹
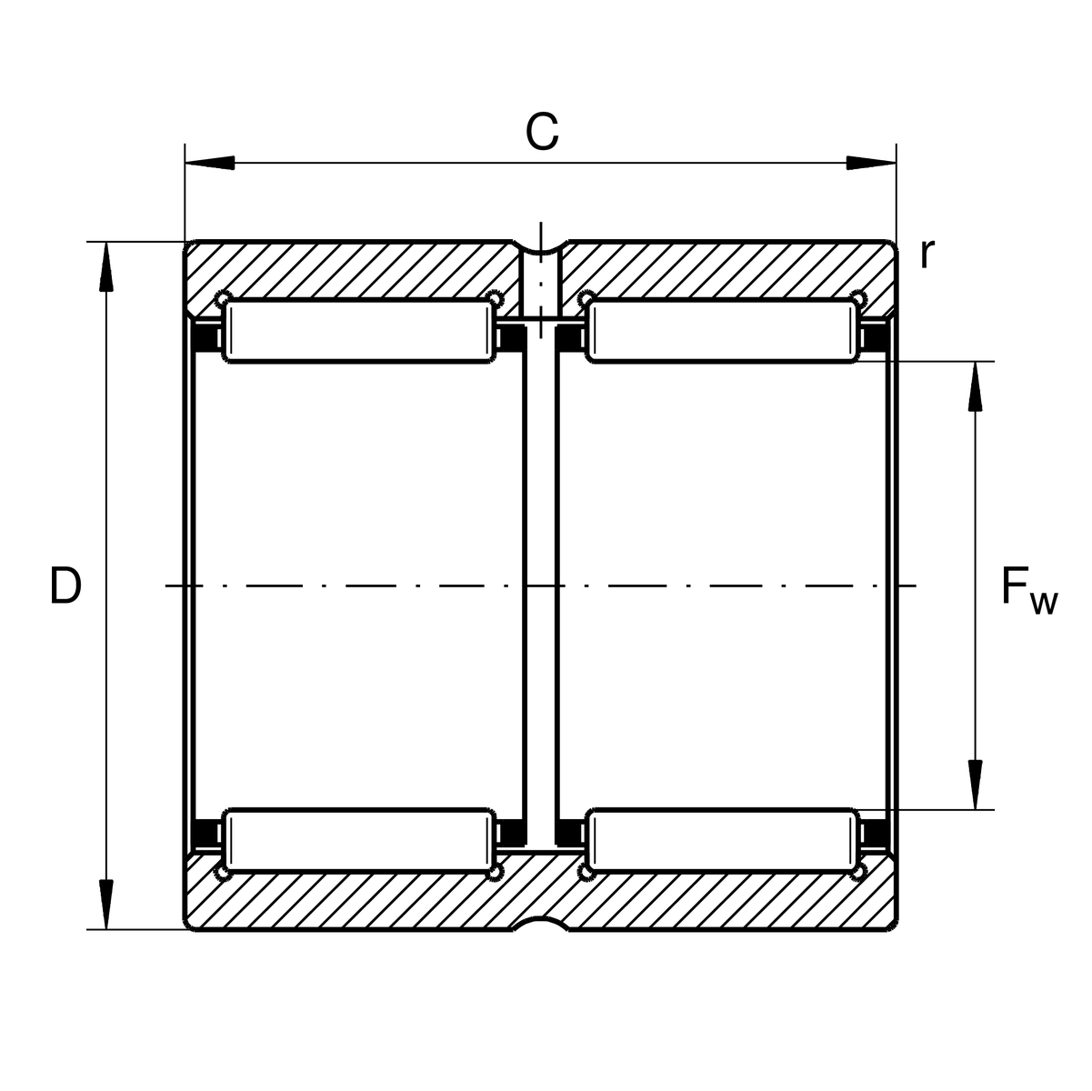
| Fw | 68 mm | 下輥直徑 |
| D | 85 mm | 外徑 |
| Cr | 106,000 N | 基本額定動載荷,徑向 |
| C0r | 191,000 N | 基本額定靜態負荷,徑向 |
| Cur | 33,000 N | 疲勞負載極限,徑向 |
| nG | 6,700 1/min | 極限轉速 |
| nG Grease | 4,000 1/min | 脂潤滑的極限轉度 |
| nϑr | 3,850 1/min | 參考轉速 |
| ≈m | 517 g | 重量 |
| rmin | 1 mm | 最小倒角尺寸 |
| C | 45 mm | 外圈寬度 |
| Tmin | -30 °C | 最低工作溫度 |
| Tmax | 120 °C | 最高操作溫度 |
| Cage | Standard | Standard |
| Lubrication hole | with | with |
| Coating | 沒有 | |
| Sealing | 沒有 | |
| Special features | 沒有 | |
| Number of rolling element rows | ZW | 雙列設計 |