PRODUCTS
- 首頁
- 產品介紹
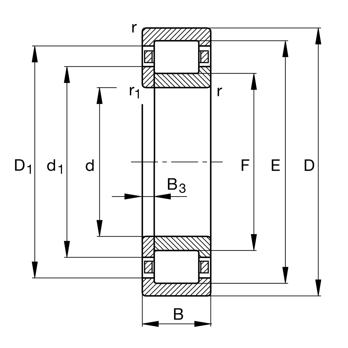
| d | 120 mm | 內徑 |
| D | 260 mm | 外徑 |
| B | 55 mm | 寬度 |
| Cr | 610,000 N | 基本額定動載荷,徑向 |
| C0r | 600,000 N | 基本額定靜態負荷,徑向 |
| Cur | 97,000 N | 疲勞負載極限,徑向 |
| nG | 4,550 1/min | 極限轉速 |
| nϑr | 2,650 1/min | 參考轉速 |
| ≈m | 14.09 kg | 重量 |
| d1 | 168.05 mm | 內圈最大擋邊直徑 |
| D1 min | 218.7 mm | 外圈最小擋邊直徑 |
| da min | 134 mm | 軸肩最小直徑 |
| dc min | 171 mm | 最小軸肩 |
| Da max | 246 mm | 殼肩最大直徑 |
| ra max | 2.5 mm | 最大凹槽半徑 |
| rmin | 3 mm | 最小倒角尺寸 |
| r1 min | 3 mm | 最小倒角尺寸 |
| E | 230 mm | 外圈滾道直徑 |
| F | 154 mm | 內圈滾道直徑 |
| B3 | 8.5 mm | 鬆配肋寬度 |
| Tmin | -30 °C | 最低工作溫度 |
| Tmax | 150 °C | 最高操作溫度 |
| Design | E | 增加額定載荷設計 |
| Number of rolling element rows | 1 | 單列設計 |