PRODUCTS


FAG
6203-C-2Z-L207-C3
Deep groove ball bearing 6203-C-2Z-L207-C3
加入詢價
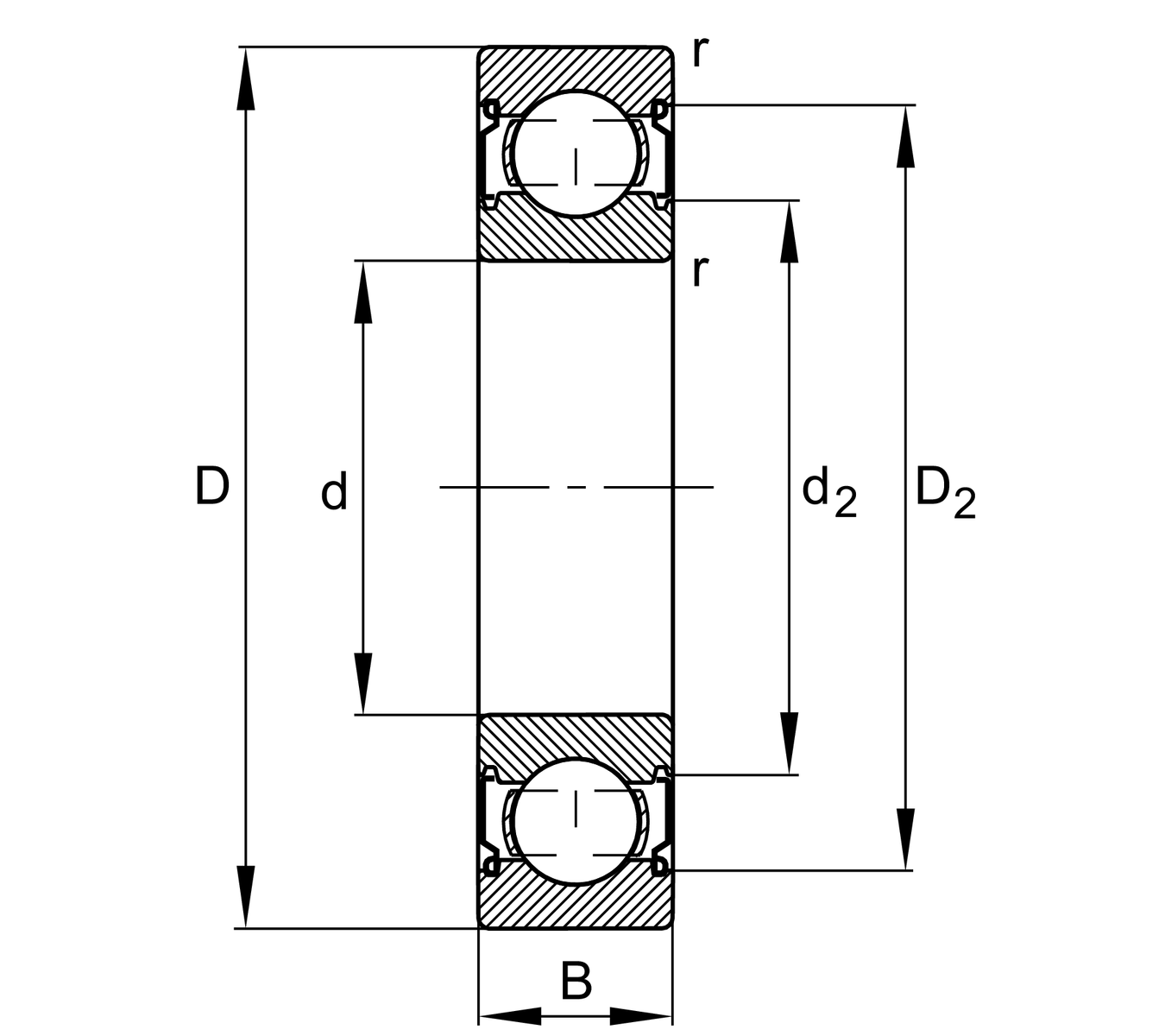
主要尺寸與性能資料
d
17 mm
內徑
D
40 mm
外徑
B
12 mm
寬度
Cr
11,000 N
基本額定動載荷,徑向
C0r
4,750 N
基本額定靜態負荷,徑向
Cur
330 N
疲勞負載極限,徑向
nG
24,600 1/min
極限轉速
nϑr
20,100 1/min
參考轉速
≈m
0.065 kg
重量

安裝尺寸
da min
21.2 mm
軸肩最小直徑
Da max
35.8 mm
殼肩最大直徑
ra max
0.6 mm
最大圓角半徑

尺寸
rmin
0.6 mm
最小倒角尺寸
D1
32.9 mm
外圈肩徑
D2
34.84 mm
量測外圈直徑
d1
24.13 mm
內圈肩徑
d2
22.97 mm
量測內圈直徑

溫度範圍
Tmin
-30 °C
最低工作溫度
Tmax
120 °C
最高操作溫度

計算參數s
f0
13
計算參數

您目前的產品型號
Changed internal designCGenerationC
Sealing2ZNon-contact shield on both sides
CageJN沖壓鋼板
Tolerance classP66級(P6),優於PN
Dimensional / heat stabilization SN環尺寸穩定達 120°
LubricantL138Grease (L138/customer specific)
Bore typeZ圓柱
Radial internal clearanceC3 (Group 3)內部間隙大於CN
加入詢價