INA
RNA22/6-2RSR
Yoke type track roller RNA22/6-2RSR
加入詢價
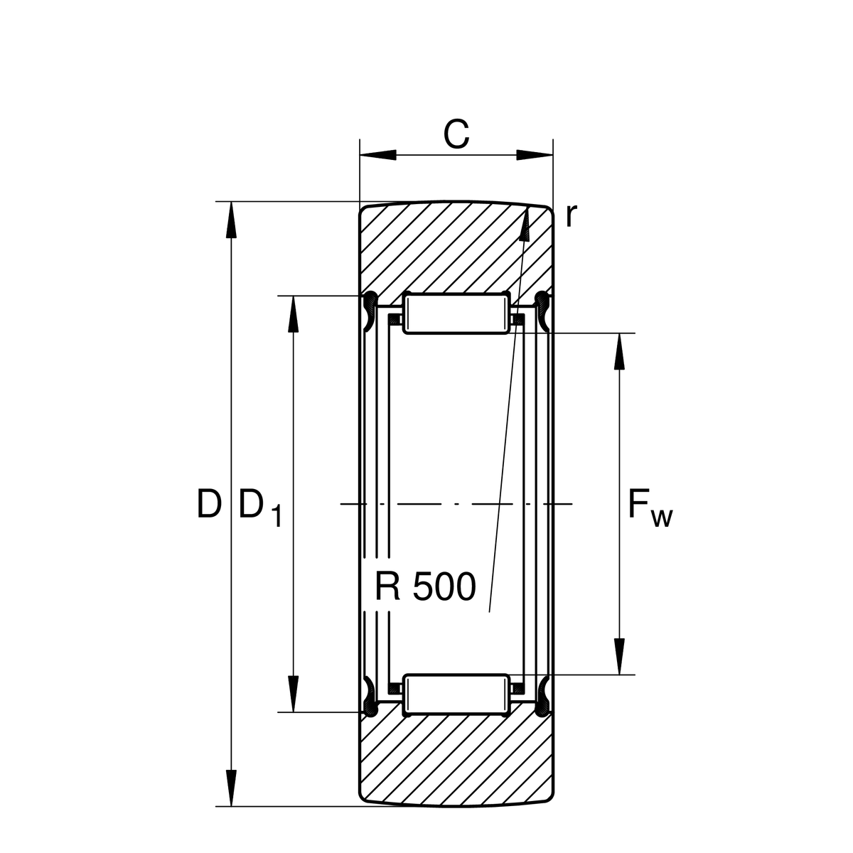
主要尺寸與性能資料
| D | 19 mm | 外徑 |
| Fw | 10 mm | 下輥直徑 |
| C | 11.8 mm | 外圈寬度 |
| Cr w | 3,350 N | 基本額定動載荷,徑向 |
| C0r w | 3,650 N | 基本額定靜態負荷,徑向 |
| Cur w | 495 N | 疲勞負載極限,徑向 |
| nD G | 9,000 1/min | 永久脂潤滑速度 |
| ≈m | 13.905 g | 重量 |
尺寸
| D1 min | 15.15 mm | Minimum mounting dimension |
| rmin | 0.3 mm | 最小倒角尺寸 |
| R | 500 mm | 外圈外輪廓半徑 |
您目前的產品型號
| Sealing | 2RSR | 兩側唇形密封 |
| Outer Ring profile | R500 | R500 |
加入詢價
Yoke type track roller RNA22/6-2RSR
已將您選擇的品項
加入詢價清單
非常感謝您!
選擇更多商品
瀏覽詢價清單