PRODUCTS
- 首頁
- 產品介紹
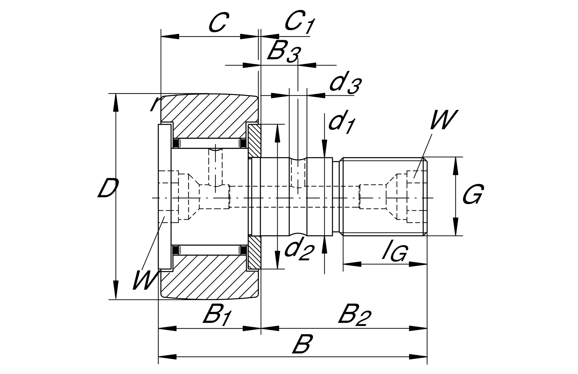
| D | 26 mm | 外徑 |
| d1 | 10 mm | 滾柱螺柱/螺柱配合直徑 |
| B | 36 mm | Width of the roller stud |
| Cr w | 5,100 N | 基本額定動載荷,徑向 |
| C0r w | 6,500 N | 基本額定靜態負荷,徑向 |
| Cur w | 860 N | 疲勞負載極限,徑向 |
| nD G | 8,000 1/min | 永久脂潤滑速度 |
| ≈m | 67.449 g | 重量 |
| B1 | 13.2 mm | Maximum 止推墊圈寬度 |
| B2 | 23 mm | 螺栓/螺柱有效長度 |
| C | 12 mm | 外圈寬度 |
| C1 | 0.6 mm | 凸出外圈至止推墊圈 |
| rmin | 0.3 mm | 最小倒角尺寸 |
| d2 | 17.5 mm | 止推墊圈止動直徑 |
| G | M10X1 | 線 |
| IG | 12 mm | 螺紋長度 |
| W | 5 mm | 平面寬度 |
| R | 500 mm | 外圈外輪廓半徑 |
NIPA1X4,5 | 驅動-配合潤滑嘴 | |
| MA | 15 Nm | 擰緊扭力螺母 |
| Sealing | SPSP | 兩側間隙密封 |
| Outer Ring profile | R500 | R500 |
| Grease nipples | 2x | 驅動-配合未安裝潤滑嘴 2x |
| Relubrication feature | KSP | 通過頭、螺柱和配合 |
| Assembling aid head | I6 | 內六角套筒 |
| Mounting aid stud | I6 | 內六角套筒 |
| Special Shape | NMT | Unmounted nut and 驅動-配合潤滑嘴 |