PRODUCTS


FAG
6301-C
Deep groove ball bearing 6301-C
加入詢價
主要尺寸與性能資料
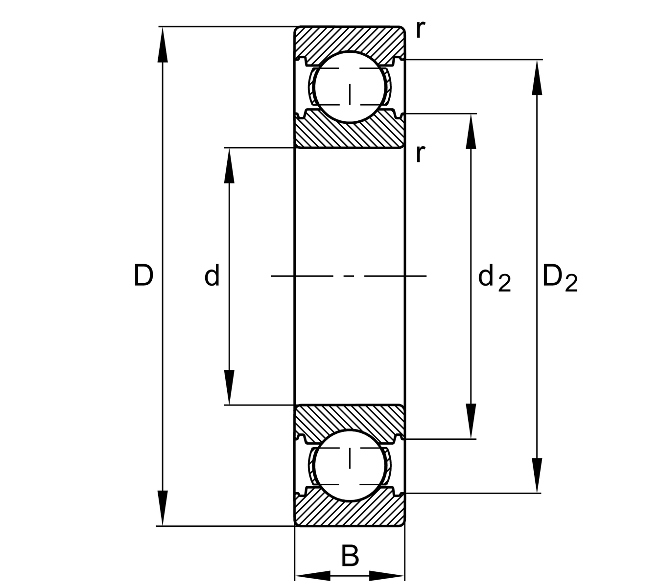
d
12 mm
內徑
D
37 mm
外徑
B
12 mm
寬度
Cr
11,500 N
基本額定動載荷,徑向
C0r
4,200 N
基本額定靜態負荷,徑向
Cur
290 N
疲勞負載極限,徑向
nG
31,000 1/min
極限轉速
nϑr
21,900 1/min
參考轉速
≈m
0.056 kg
重量

安裝尺寸
da min
17.6 mm
軸肩最小直徑
Da max
31.4 mm
殼肩最大直徑
ra max
1 mm
最大圓角半徑

尺寸
rmin
1 mm
最小倒角尺寸
D1
30.06 mm
外圈肩徑
D2
32 mm
量測外圈直徑
d1
18.94 mm
內圈肩徑
d2
17.97 mm
量測內圈直徑

溫度範圍
Tmin
-30 °C
最低工作溫度
Tmax
120 °C
最高操作溫度

計算參數s
f0
11.1
計算參數

您目前的產品型號
Changed internal designCGenerationC
Sealing沒有未密封
CageJN沖壓鋼板
Tolerance classP66級(P6),優於PN
Dimensional / heat stabilization SN環尺寸穩定達 120°
Lubricant沒有軸承未潤滑
Bore typeZ圓柱
Radial internal clearanceCN (Group N)正常內部間隙
加入詢價