PRODUCTS
- 首頁
- 產品介紹
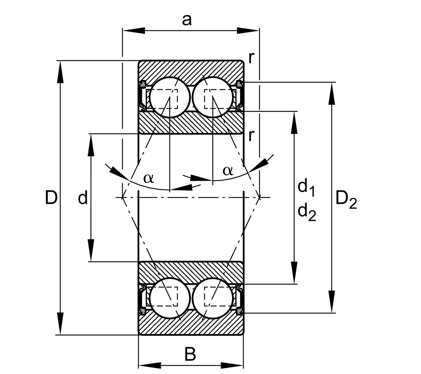
| d | 100 mm | 內徑 |
| D | 125 mm | 外徑 |
| B | 19 mm | 寬度 |
| Cr | 28,000 N | 基本額定動載荷,徑向 |
| C0r | 39,000 N | 基本額定靜態負荷,徑向 |
| Cur | 2,120 N | 疲勞負載極限,徑向 |
| nG | 2,470 1/min | 極限轉速 |
| ≈m | 0.458 kg | 重量 |
| da min | 104.6 mm | 軸肩最小直徑 |
| Da max | 120.4 mm | 殼肩最大直徑 |
| ra max | 1 mm | 最大圓角半徑 |
| rmin | 1 mm | 最小倒角尺寸 |
| D1 | 117.9 mm | 外圈肩徑 |
| D2 | 118.5 mm | 量測外圈直徑 |
| d1 | 109.54 mm | 內圈肩徑 |
| d2 | 107.3 mm | 量測內圈直徑 |
| a | 60.2 mm | 壓力錐頂點之間的距離 |
| α | 25 ° | 接觸角 |
| Tmin | -20 °C | 最低工作溫度 |
| Tmax | 100 °C | 最高操作溫度 |
| 優化設計 | B | 軸承無裝填槽 |
| Sealing | 2RS | 兩側接觸式密封 |
| Cage | TVH | 玻璃纖維增強聚醯胺 PA66 實體保持架 |
| Tolerance class | PN | 正常(PN) |
| Dimensional / heat stabilization | S0 | 環尺寸穩定達 150° |
| Lubricant | GA13 | Ball bearing and insert bearing grease, standard for D>62mm |
| Axial internal clearance | CN | 正常組(標準間隙) |