PRODUCTS
- 首頁
- 產品介紹
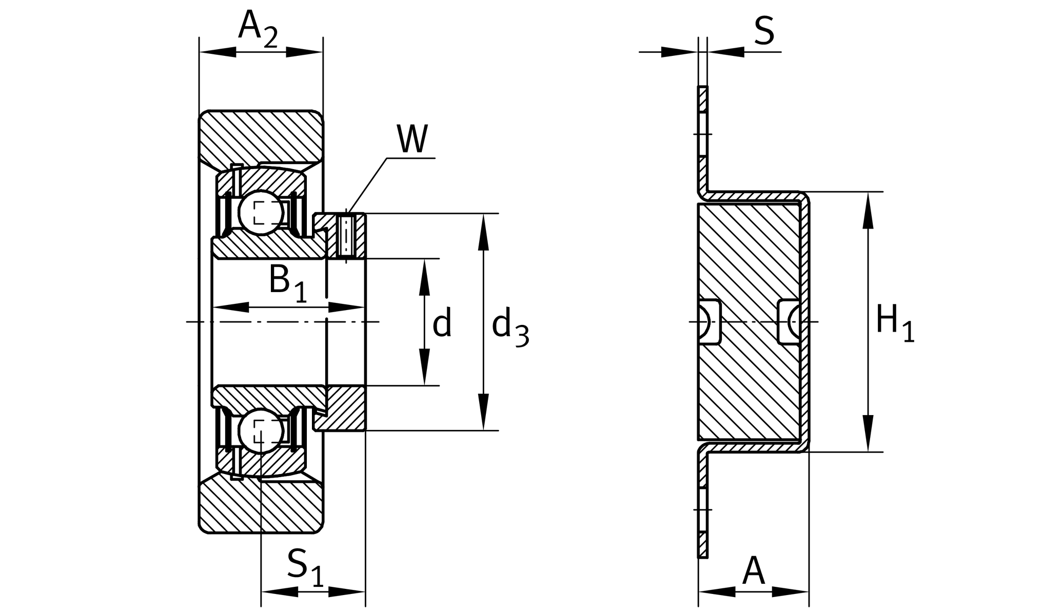
| d | 35 mm | 內徑 |
| H | 103 mm | Height flange |
| A | 28 mm | 外殼高度 |
| V | 98 mm | Shoulder diameter 軸承座 |
| L | 187 mm | Length total |
| C0r G | 15,300 N | Load carrying capacity (軸承座) |
| ≈m | 2.78 kg | 重量 |
| N | 11.5 mm | 固定內徑 |
| J | 140 mm | 固定內孔距離 |
| J1 | 80 mm | Bore distance width |
| L1 | 50 mm | Distance shaft axis |
| A2 | 22 mm | Width 軸承座 |
| H1 | 52 mm | Heigth guidance |
| K1 | M12 | Thread adjusting screw |
| S | 4 mm | 厚度 of flange |
| F | 20 mm | 固定內孔距離 outside |
| G | 65 mm | 軸向位移 |
| Q | M6 | 用於潤滑的連接螺紋 |
HUE07 | 軸承座 | |
HUSE07 | 軸承座 (Part 2) | |
GRAE35-XL-NPP-B | 軸承型號 |
| Tmin | -20 °C | 最低工作溫度 |
| Tmax | 120 °C | 最高操作溫度 |
| Material | GG | 灰鑄鐵 |