PRODUCTS
- 首頁
- 產品介紹
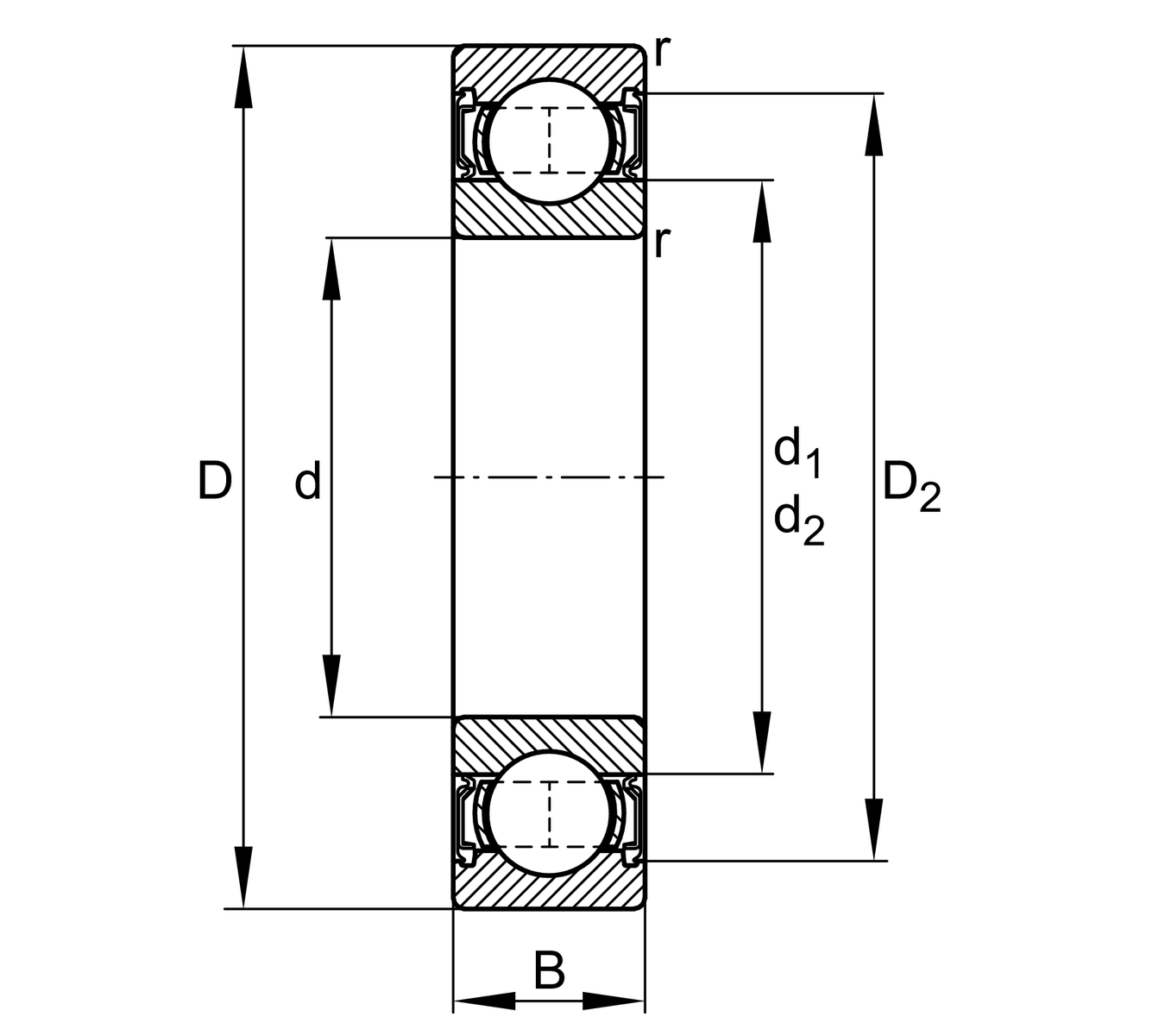
| d | 7 mm | 內徑 |
| D | 19 mm | 外徑 |
| B | 6 mm | 寬度 |
| Cr | 2,610 N | 基本額定動載荷,徑向 |
| C0r | 1,050 N | 基本額定靜態負荷,徑向 |
| Cur | 65 N | 疲勞負載極限,徑向 |
| nG | 25,500 1/min | 極限轉速 |
| ≈m | 0.007 kg | 重量 |
| da min | 9 mm | 軸肩最小直徑 |
| Da max | 17 mm | 殼肩最大直徑 |
| ra max | 0.3 mm | 最大圓角半徑 |
| rmin | 0.3 mm | 最小倒角尺寸 |
| D1 | 15.02 mm | 外圈肩徑 |
| d1 | 10.12 mm | 內圈肩徑 |
| Tmin | -30 °C | 最低工作溫度 |
| Tmax | 100 °C | 最高操作溫度 |
| f0 | 12.2 | 計算參數 |
| Logistical code | HLN | - |
| Sealing | 2RSR | 兩側接觸式密封 |
| Cage | JN | 沖壓鋼板 |
| Tolerance class | PN | 正常(PN) |
| Dimensional / heat stabilization | SN | 環尺寸穩定達 120° |
| Lubricant | L138 | Grease (L138/customer specific) |
| Bore type | Z | 圓柱 |
| Radial internal clearance | C3 (Group 3) | 內部間隙大於CN |