PRODUCTS
- 首頁
- 產品介紹
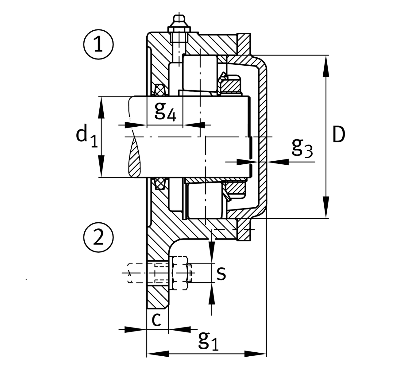
| d1 | 70 mm | Shaft diameter |
| a | 196 mm | 法蘭寬度 |
| h1 | 196 mm | height flange |
| g2 | 101 mm | Total width with lid g2 |
4 | number of fastening holes | |
| ≈m | 9.775 kg | 重量 |
M10x1 | 用於潤滑的連接螺紋 | |
| c | 25 mm | 法蘭厚度 |
| D | 140 mm | 外徑 bearing |
| g4 | 32 mm | distance flange to bearing seat |
| h | 98 mm | distance shaft axis |
| m | 215 mm | pich circle diameter fixing holes |
| s | M16 | size of fixing screws |