PRODUCTS
- 首頁
- 產品介紹
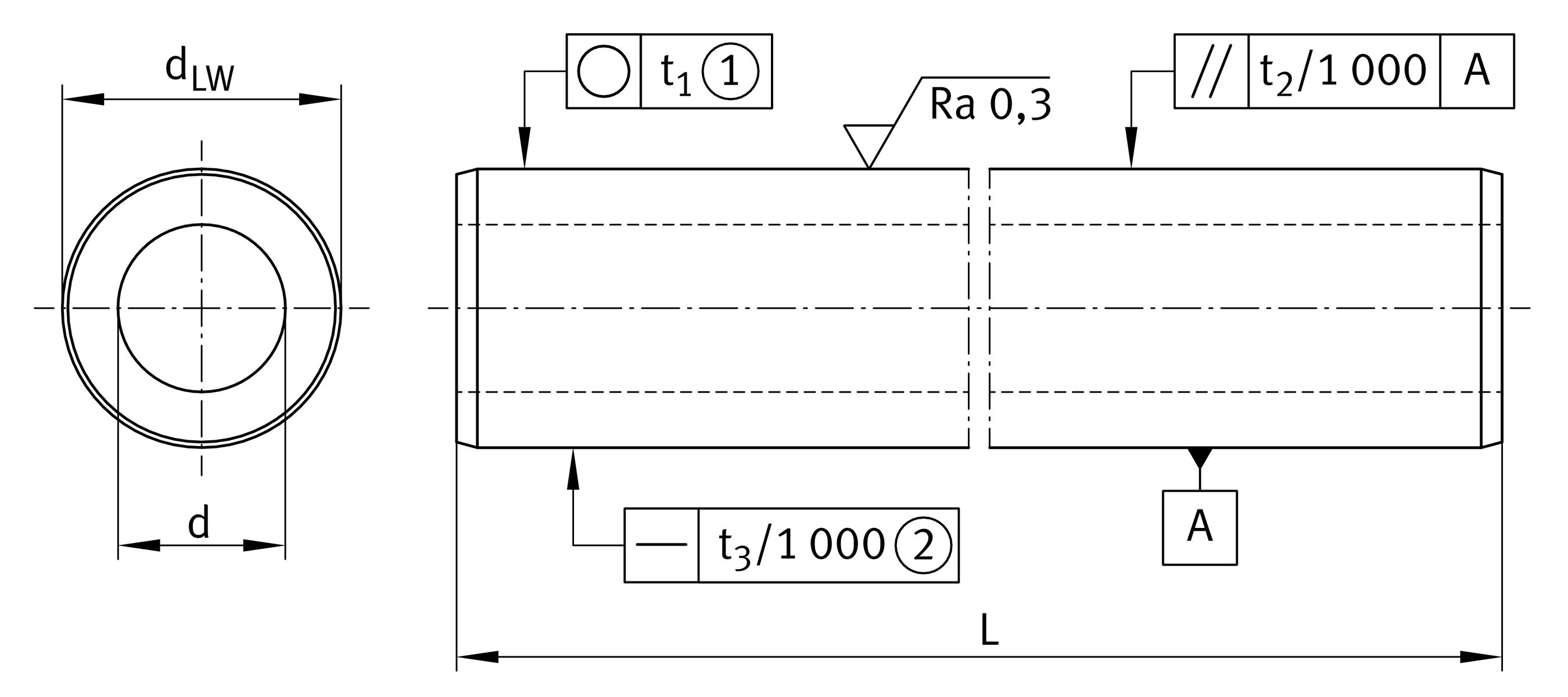
| dLW | 60 mm | Diameter Shaft |
| dLWTol | h7 | Diameter tolerance shaft |
| h7Tol | 0 µm | Diameter Shaft high |
| h7Tol | -30 µm | Diameter Shaft low |
| d | 36 mm | 內徑 |
| dTol | 0.3 mm | 內徑 tolerance high |
| dTol | -0.3 mm | 內徑 tolerance low |
| Lmax | 5,700 mm | Length total maximum |
| ≈m | 14.2 kg/m | 重量 |
| SHDmin | 1.5 mm | Surface Hardness Depth 1 |
| t2 | 13 µm | Parallelism |
| t3 | 0.1 µm | Straightness |
| Size code | 60 | |
| Tolerance diameter | h7 | |
| Material | C60 | Heat treatable steel (material no.:1.0601) |