PRODUCTS
- 首頁
- 產品介紹
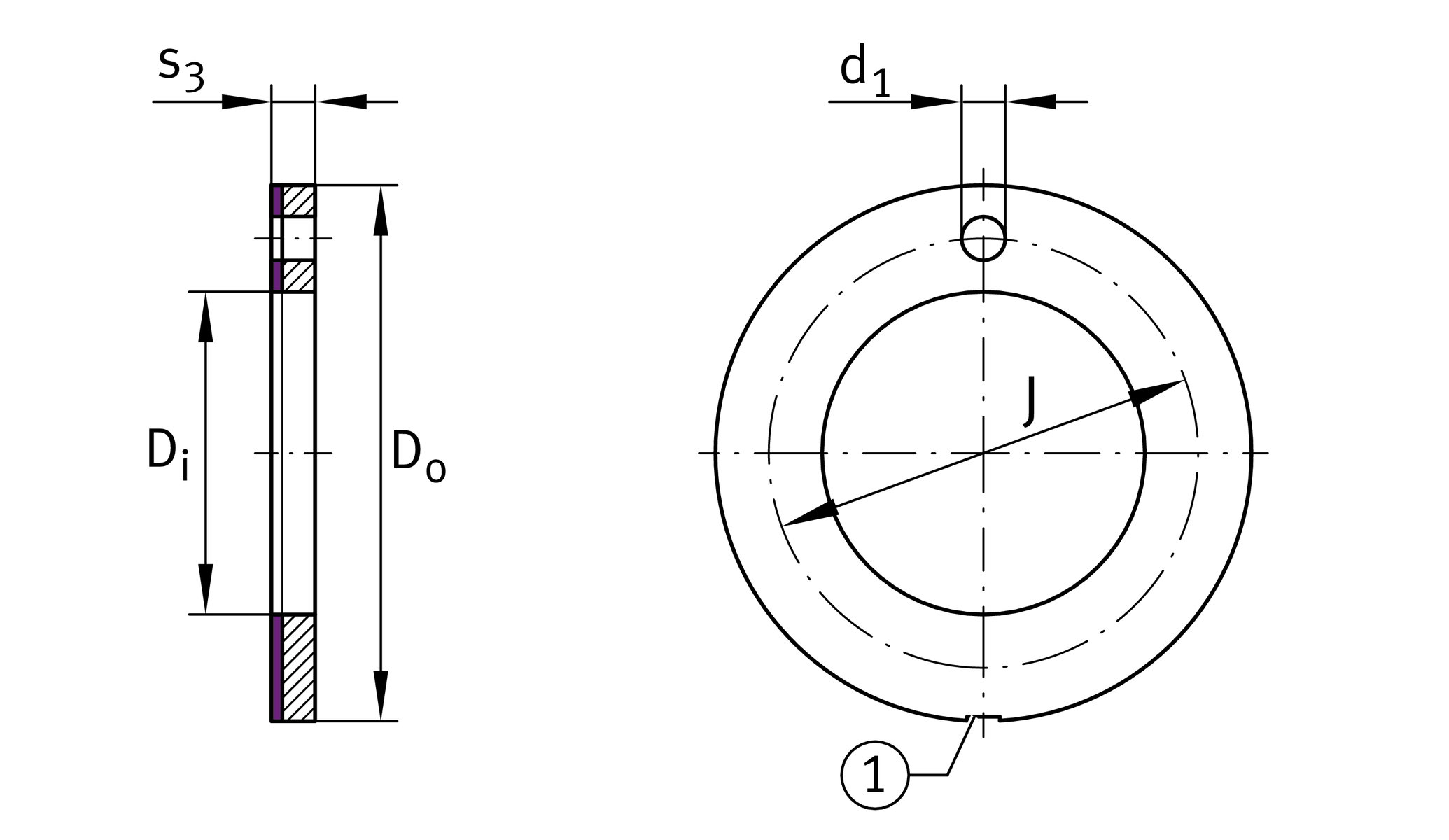
| Di | 6 mm | 內徑 |
| s3 | 0.75 mm | 壁厚 |
| Ca | 16,100 N | 基本額定動載荷,軸向 |
| C0a | 28,700 N | 基本額定靜態載荷,軸向 |
| Do | 13.5 mm | 外徑 |
| ≈m | 0.7 g | 重量 |
| Di OT | 0.25 mm | 內徑, 公差上限 |
| Di UT | 0 mm | 內徑, 較低的公差 |
| Do OT | 0 mm | 外徑、公差上限 |
| Do UT | -0.25 mm | 外徑,公差下限 |
| s3 OT | 0 mm | 壁厚、公差上限 |
| s3 UT | -0.05 mm | 壁厚、公差下限 |
| Tmin | -200 °C | 最低工作溫度 |
| Tmax | 280 °C | 最高操作溫度 |
| Material sliding Layer | E40 | 免維護滑動層E40 |
| Material back | Steel |