PRODUCTS


FAG
NUP315-E-XL-M1-C3
Cylindrical roller bearing NUP315-E-XL-M1-C3
加入詢價
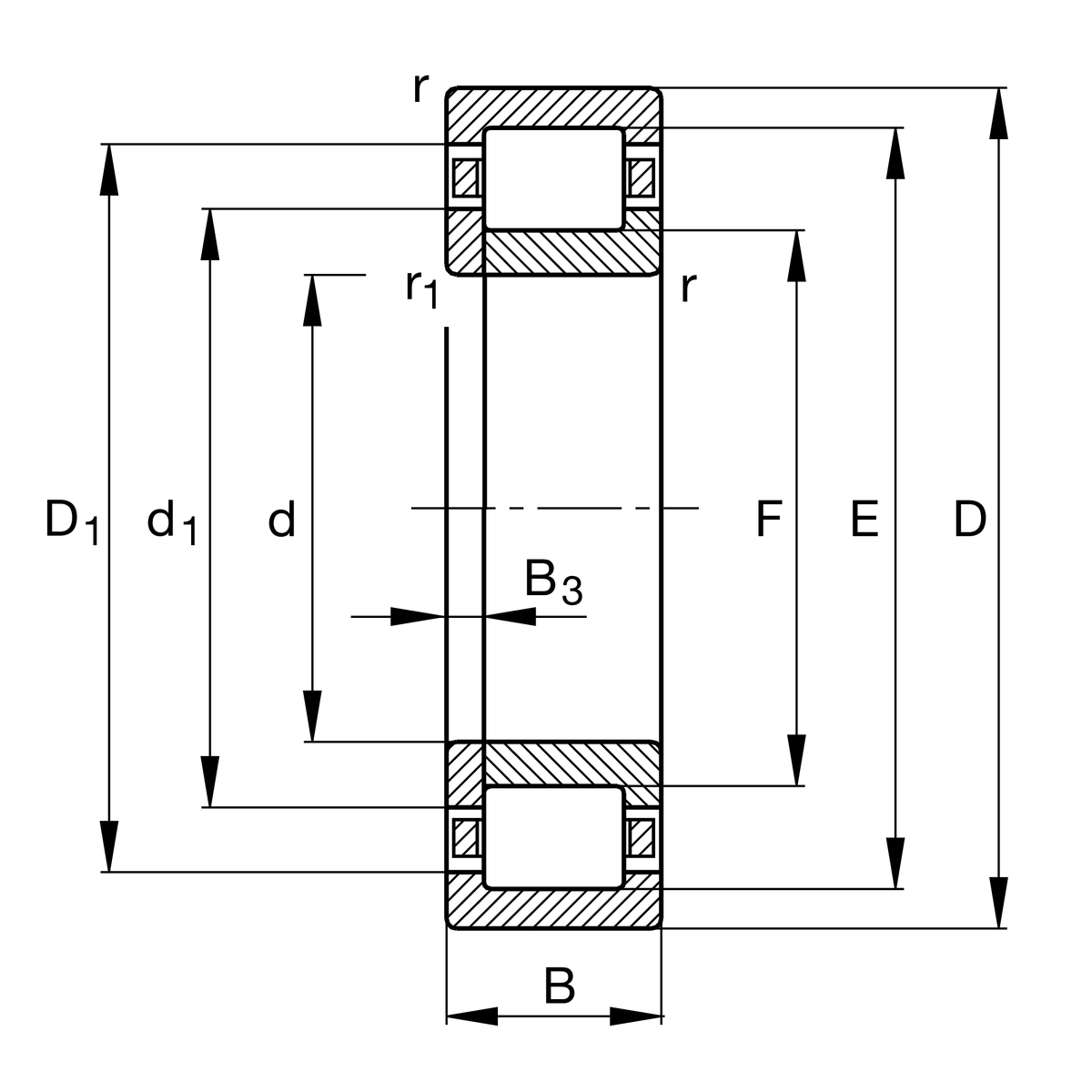
主要尺寸與性能資料
d
75 mm
內徑
D
160 mm
外徑
B
37 mm
寬度
Cr
285,000 N
基本額定動載荷,徑向
C0r
265,000 N
基本額定靜態負荷,徑向
Cur
47,000 N
疲勞負載極限,徑向
nG
7,600 1/min
極限轉速
nϑr
4,150 1/min
參考轉速
≈m
3.83 kg
重量

安裝尺寸
d1
104.1 mm
內圈最大擋邊直徑
D1 min
136.24 mm
外圈最小擋邊直徑
da min
87 mm
軸肩最小直徑
dc min
106 mm
最小軸肩
Da max
148 mm
殼肩最大直徑
ra max
2 mm
最大凹槽半徑

尺寸
rmin
2.1 mm
最小倒角尺寸
r1 min
2.1 mm
最小倒角尺寸
E
143 mm
外圈滾道直徑
F
95 mm
內圈滾道直徑
B3
5.5 mm
鬆配肋寬度

溫度範圍
Tmin
-30 °C
最低工作溫度
Tmax
150 °C
最高操作溫度

您目前的產品型號
DesignE增加額定載荷設計
CageM1兩片式黃銅保持架滾輪引導
Radial internal clearanceC3 (Group 3)內部間隙大於CN
Tolerance classPN正常(PN)
Number of rolling element rows1單列設計
加入詢價