PRODUCTS
- 首頁
- 產品介紹
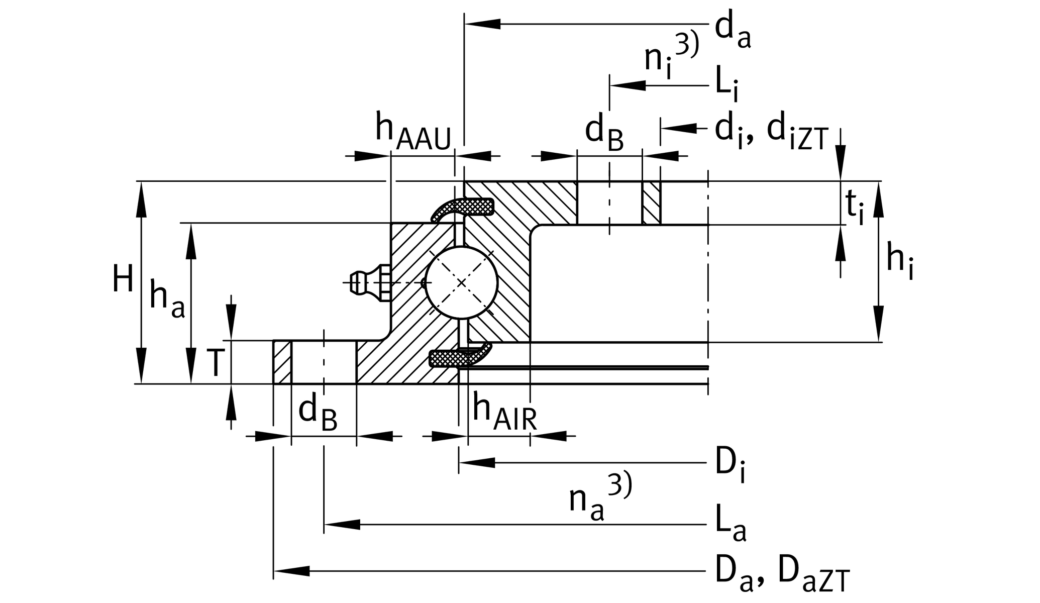
| diZT | 306 mm | Diameter centring inner ring |
IT8 | Diameter centring inner ring tolerance | |
| H | 56 mm | 高度 |
| Da ZT | 516 mm | Centring diameter outer ring |
-IT8 | Diameter centring outer ring tolerance | |
| T | 12 mm | Length centering outer ring |
| t | 12 mm | Length centering inner ring |
| ha | 44.5 mm | Width outer ring |
| hi | 44.5 mm | 內圈寬度 |
| ≈m | 23.25 kg | 重量 |
| Di | 415.5 mm | 外圈內徑 |
0.5 mm | 外圈內徑 公差上限 | |
0 mm | 外圈內徑 較低的公差 | |
| da | 412.5 mm | 內圈外徑 |
0 mm | 內圈外徑 公差上限 | |
-0.5 mm | 內圈外徑 較低的公差 | |
| dB | 18 mm | 固定內徑 |
| La | 490 mm | 外圈螺距圓固定孔直徑 |
| na | 8 | 外圈固定孔數 |
| Li | 332 mm | 內圈螺距圓直徑固定孔 |
| ni | 12 | 內圈固定孔數 |
| Fr zul | 53,000 N | Max. radial load fixing screws (friction locking) |
| hA | 20 mm | Ring cross section |
| Tmin | -25 °C | 最低工作溫度 |
| Tmax | 80 °C | 最高操作溫度 |
| Ca | 137,000 N | 基本額定動載荷,軸向 |
| C0a | 295,000 N | 基本額定靜態載荷,軸向 |
| Cr | 124,000 N | 基本額定動載荷,徑向(僅適用於徑向載荷) |
| C0r | 110,000 N | 基本額定靜態負荷,徑向(僅適用於徑向負荷) |
| Centering | ZT | Centering on inner and outer ring |
| Radial internal clearance | RL3 | 徑向間隙 0,25 to 0,5 axial tilting clearance 0,4 to 0,7 |