PRODUCTS
- 首頁
- 產品介紹
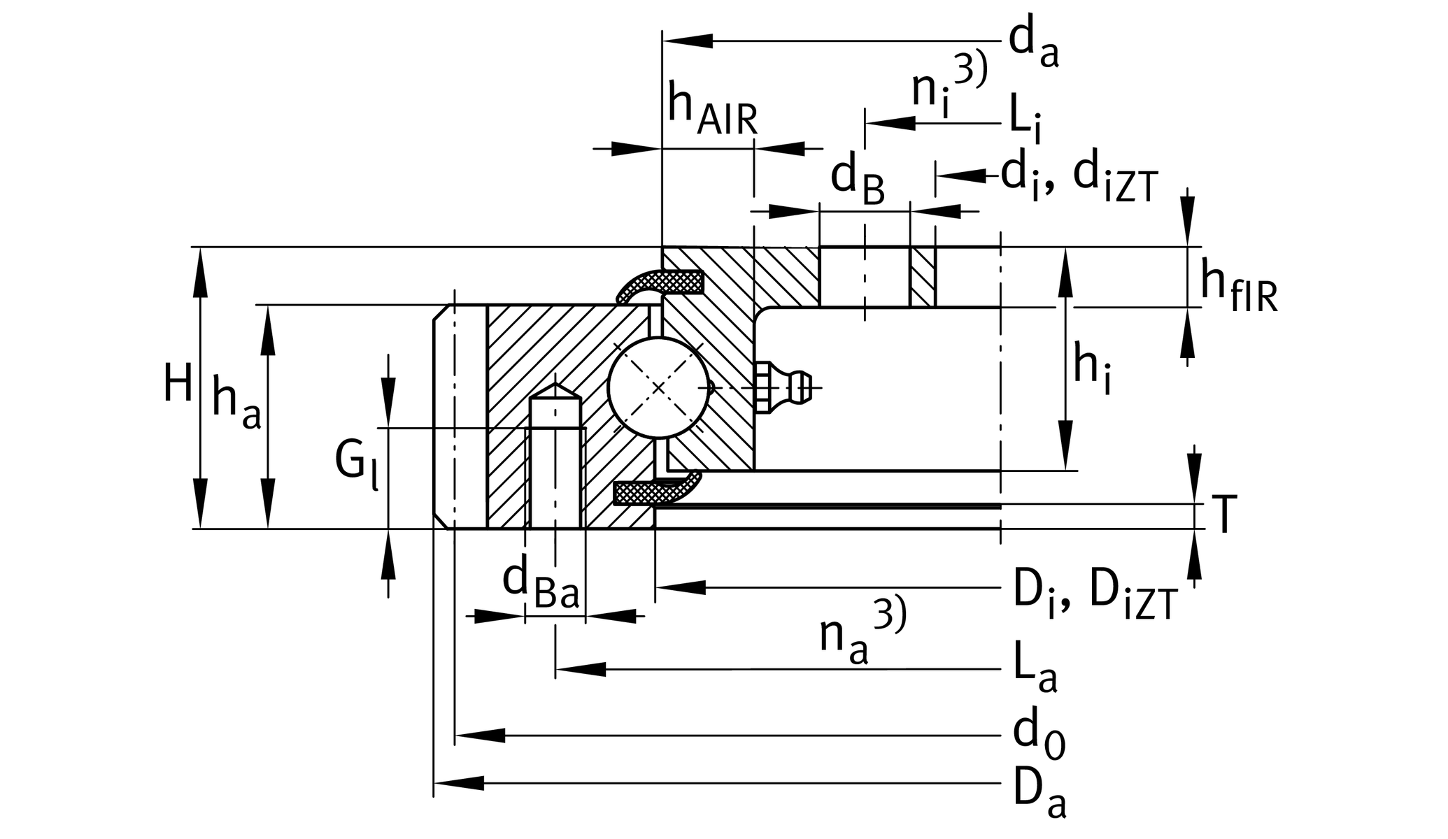
| diZT | 636 mm | Diameter centring inner ring |
IT8 | Diameter centring inner ring tolerance | |
| hf IR | 12 mm | height of flange |
| H | 56 mm | 高度 |
| Da | 838.1 mm | 外徑 |
| Di ZT | 747 mm | Diameter centring outer ring |
IT8 | Diameter centring outer ring tolerance | |
| T | 4.5 mm | Length centering outer ring |
| t | 12 mm | Length centering inner ring |
| ha | 44.5 mm | Width outer ring |
| hi | 44.5 mm | 內圈高度 |
| ≈m | 54.5 kg | 重量 |
| Di | 745.5 mm | 外圈內徑 |
0.6 mm | 外圈內徑 公差上限 | |
0 mm | 外圈內徑 較低的公差 | |
| da | 742.5 mm | 內圈外徑 |
0 mm | 內圈外徑 公差上限 | |
-0.6 mm | 內圈外徑 較低的公差 | |
| ni | 16 | 內圈固定孔數 |
| Li | 662 mm | 內圈螺距圓直徑固定孔 |
| dB | 18 mm | 固定內徑 |
| na | 18 | 外圈固定孔數 |
| La | 785 mm | 外圈螺距圓固定孔直徑 |
| dBa | M12 | Tread 固定內徑 |
| Gl | 20 mm | Thread depth fixing hole |
| hAIR | 20 mm | Ring cross section |
| Fr zul | 92,000 N | Max. radial load fixing screws (friction locking) |
| d0 | 828 mm | Pitch circle diameter gearing |
| m | 6 mm | Modul of gearing |
| z | 138 | Number of teeth |
| Fz norm | 21,300 N | Max. tooth force root fatigue strenght (at a shock factor of 1,2) |
| Fz max | 31,500 N | Max. tooth force against tooth fracture (at a shock factor of 1,35) |
| Tmin | -25 °C | 最低工作溫度 |
| Tmax | 80 °C | 最高操作溫度 |
| Ca | 171,000 N | 基本額定動載荷,軸向 |
| C0a | 530,000 N | 基本額定靜態載荷,軸向 |
| Cr | 155,000 N | 基本額定動載荷,徑向 |
| C0r | 197,000 N | 基本額定靜態負荷,徑向 |
| Centering | ZT | Centering on inner and outer ring |
| Gearing | N | Normalized gear teeth on bearing ring |
| Radial internal clearance | Standard_VL | Standard 徑向間隙 0 to 0,5 and axial tilting clearance 0 to 0,7 |