PRODUCTS
- 首頁
- 產品介紹
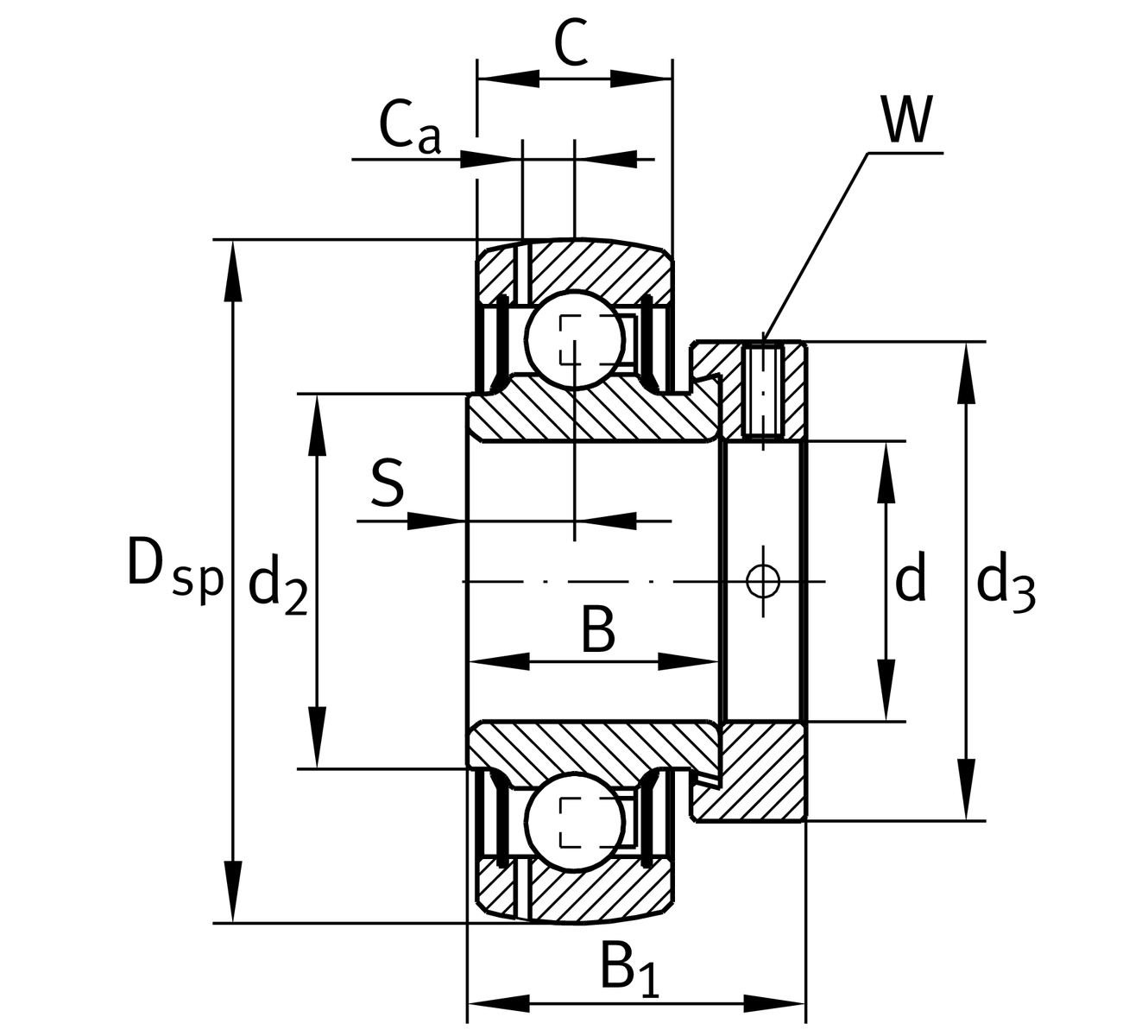
| d | 60 mm | 內徑 |
| DSP | 110 mm | 外徑 |
| B | 37.1 mm | 寬度 |
| Cur | 1,870 N | 疲勞負載極限,徑向 |
| B1 | 53.1 mm | 鎖環總寬度 |
| Cr | 56,000 N | 基本額定動載荷,徑向 |
| C0r | 36,000 N | 基本額定靜態負荷,徑向 |
| ≈m | 1.4 kg | 重量 |
| C | 24 mm | 外圈寬度 |
| S | 13.5 mm | 滾道距離 |
| d2 | 72 mm | 密封內圈擋邊直徑 |
| Ca | 7.2 mm | 至潤滑孔距離 |
| d3 | 84 mm | 鎖緊環/鎖緊螺帽外徑 |
| W | 5 mm | 平面寬度 |
| f0 | 14.3 | 計算參數 |
| Sealing | NPP | 兩側唇形密封 |
| Shape of outer surface | B |