PRODUCTS
- 首頁
- 產品介紹
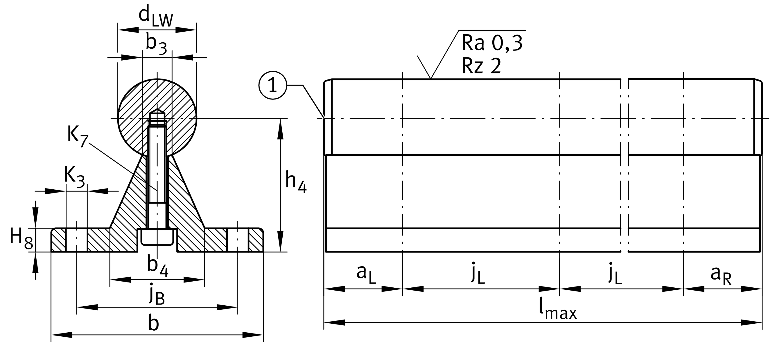
| dLW | 12 mm | Diameter shaft |
| dLW | 12 | Dimension of shaft and support rail unit |
| dLWTol | h6 | Diameter tolerance shaft |
| h4 | 22 mm | Height dimension 1 |
| h4 tol | 0.02 mm | Height dimension tolerance (High) |
| h4 tol | -0.02 mm | Height dimension tolerance (Low) |
| b | 40 mm | Support rail width bottom |
| Lmax | 6,000 mm | Shaft and support rail unit-length 2 |
| Ltol max | 3 mm | length tolerance (max) |
| Ltol min | -3 mm | length tolerance (min) |
| ≈m | 1.67 kg/m | 重量 |
| aL min | 20 mm | distance thread aL (min) 3 |
| aL max | 69 mm | distance thread aL (max) 3 |
| aR min | 20 mm | distance thread aR (min) 3 |
| aR max | 69 mm | distance thread aR (max) 3 |
| b3 | 5 mm | Support rail width prism |
| b4 | 17 mm | Support rail width top |
| H8 | 5 mm | Support rail 厚度 foot |
| jB | 29 mm | bore width distance jB |
| jL | 75 mm | bore length distance jL |
| K3 | 4.5 mm | Adjacent construction bore 4 |
| K7 | M4x18 | screw size |
| ms | 1.67 kg/m | Shaft and Support rail unit weight |