PRODUCTS
- 首頁
- 產品介紹
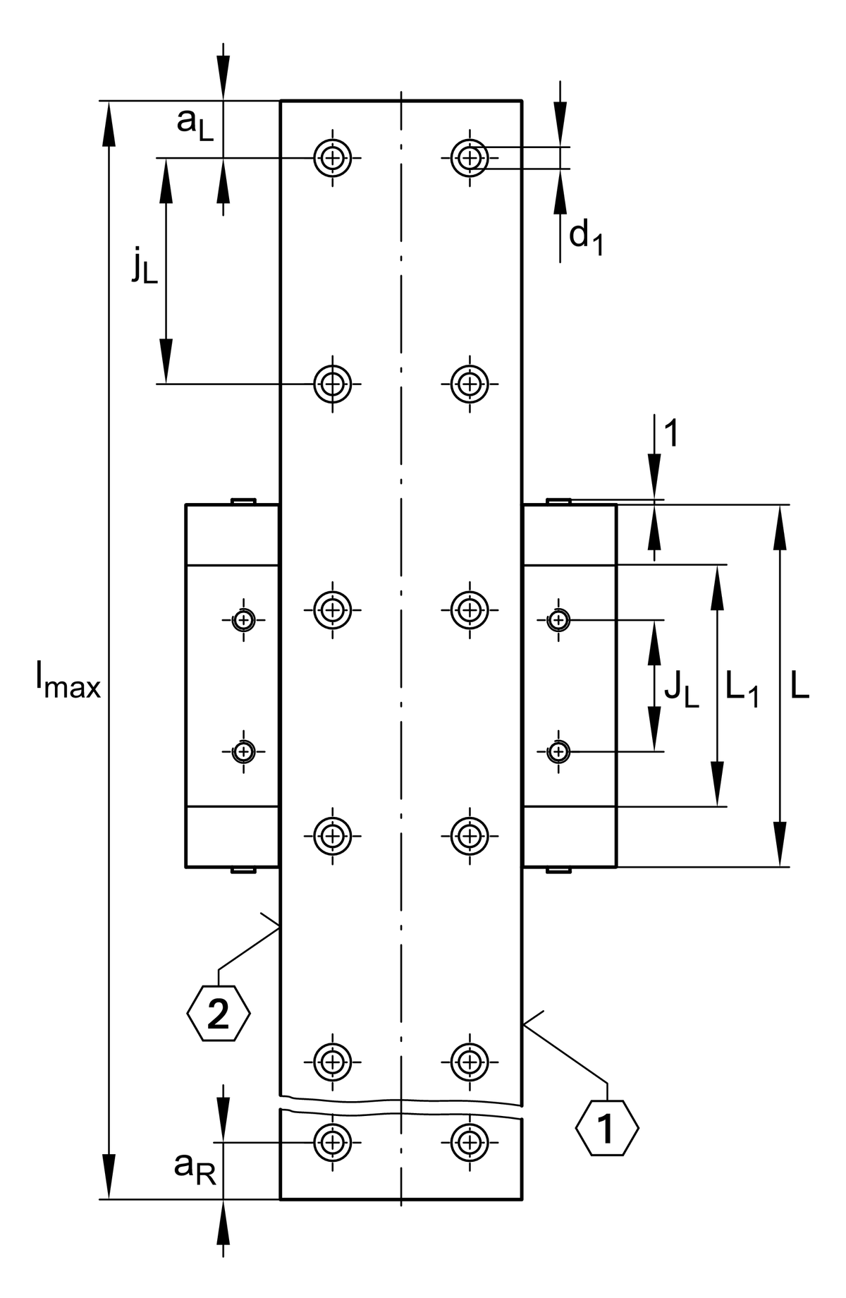
| h | 17 mm | 高度 |
| b | 71 mm | 寬度 |
| ≈m | 9.5 kg/m | 重量 |
| K1 MA | 10 Nm | Tightening torque |
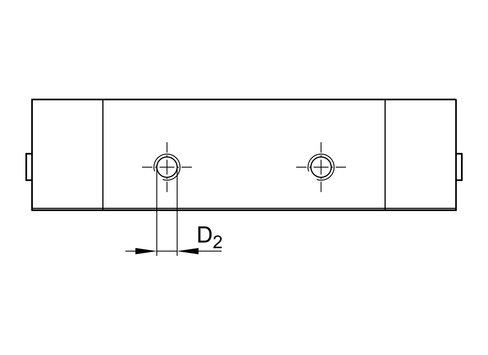
| d1 | 6 mm | 內徑 |
| lmax | 2,940 mm | Max length single piece guideway 1 |
| aL max | 53 mm | Distance 2 |
| aL min | 20 mm | Distance 2 |
| aR max | 53 mm | Distance 2 |
| aR min | 20 mm | Distance 2 |
| jL | 60 mm | 增量 |
| jB | 50 mm | 增量 |
| a5 | 10.5 mm | Distance |
| h1 | 8.3 mm | 長度 |
| Size code | 71 |