PRODUCTS
- 首頁
- 產品介紹
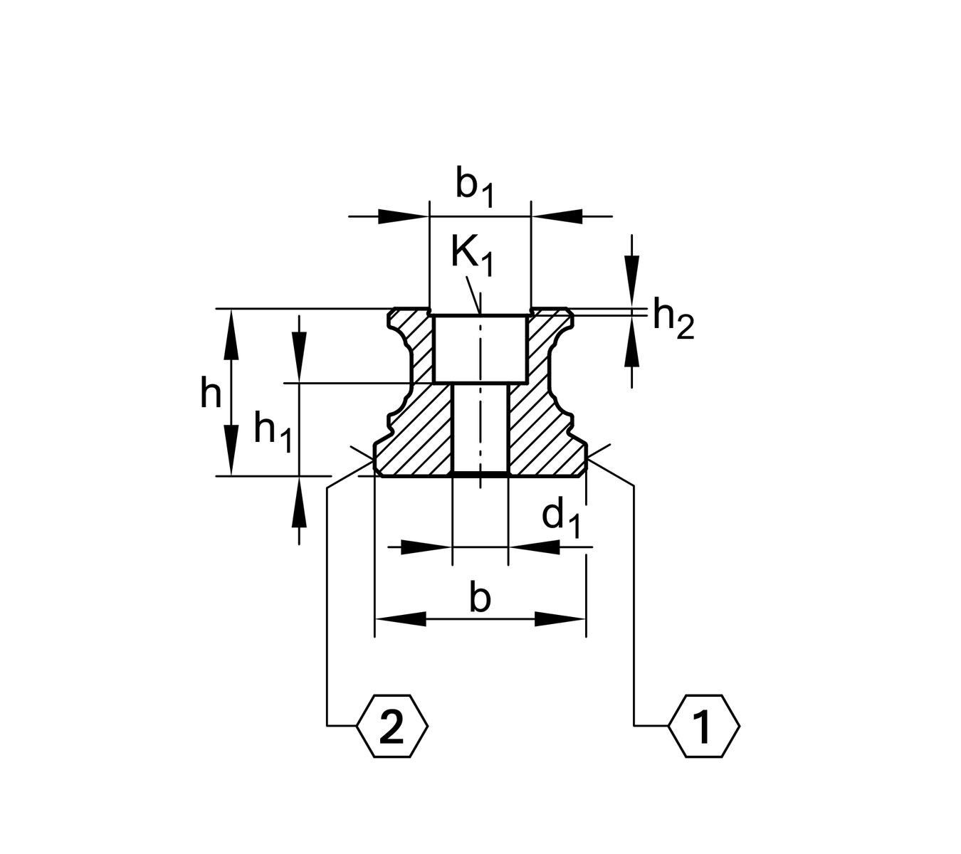
| h | 34.2 mm | 高度 |
| b | 45 mm | 寬度 |
| Tol b | -0.005 mm | 公差上限 |
| Tol b | -0.035 mm | 較低的公差 |
| ≈m | 9.2 kg/m | 重量 |
| K1 | M12 | 線 |
| K1 MA | 140 Nm | Tightening torque 1 |
| d1 | 13.4 mm | 內徑 |
| lmax | 5,985 mm | Max length single piece guideway 2 |
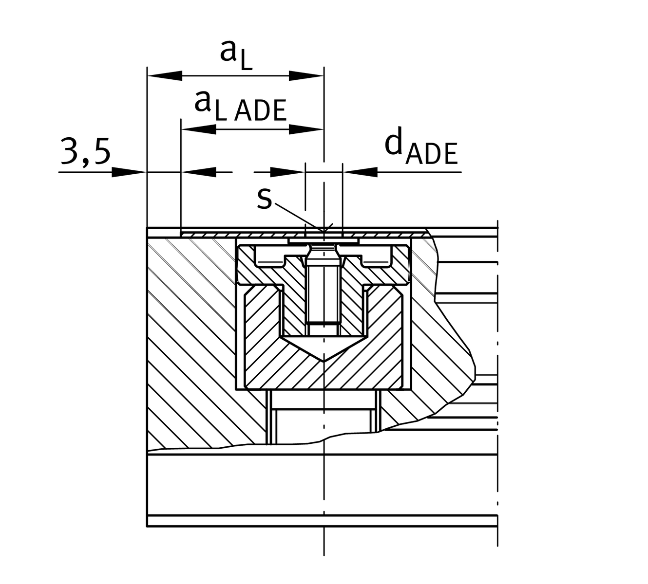
| aL max | 94 mm | Distance 3 |
| aL min | 20 mm | Distance 3 |
| aR max | 94 mm | Distance 3 |
| aR min | 20 mm | Distance 3 |
| jL | 105 mm | 增量 |
| h1 | 15.7 mm | 長度 |
| Tol h1 | 0.5 mm | 公差上限 |
| Tol h1 | -0.5 mm | 距離 距離 |
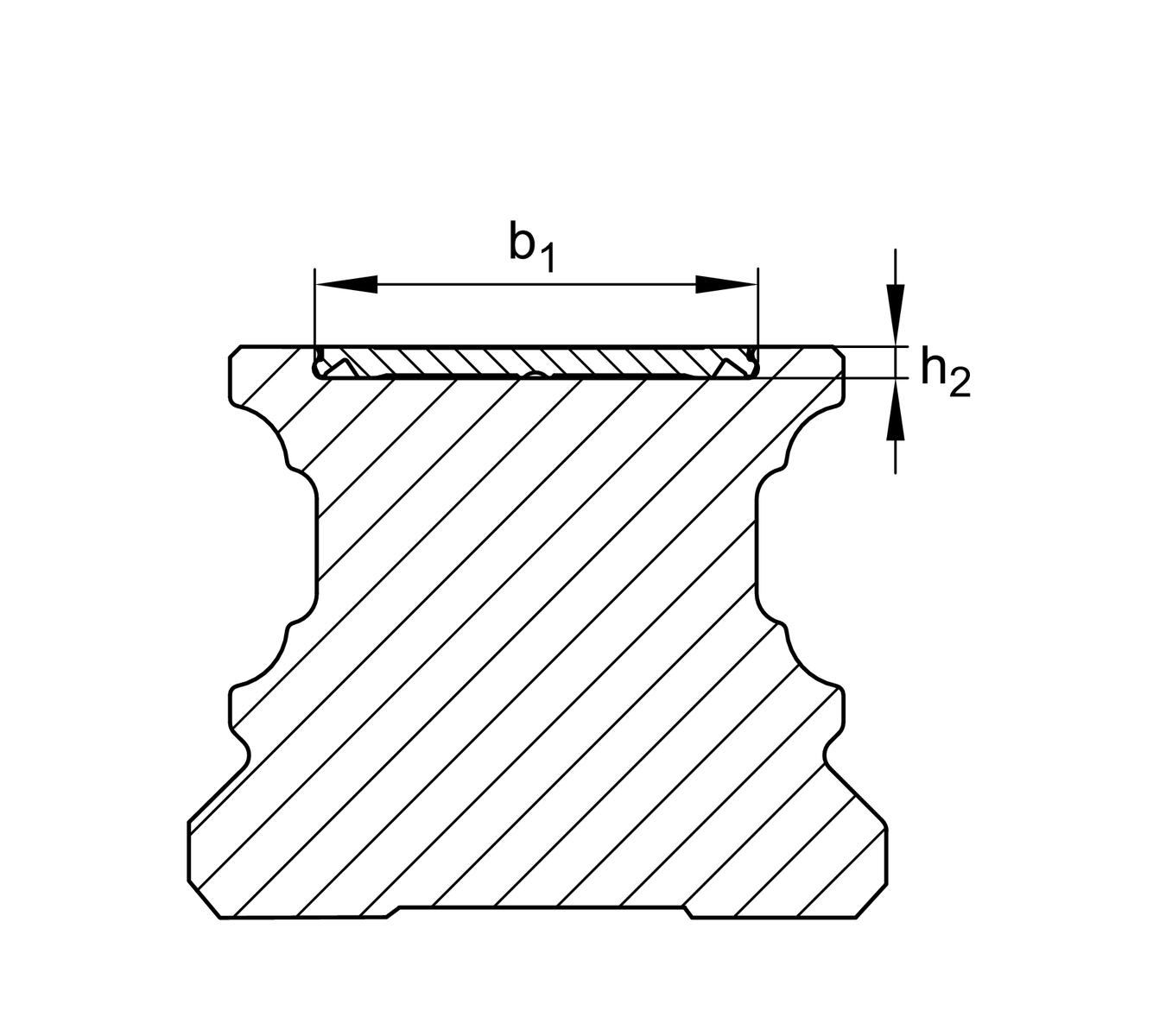
| h2 | 1.1 mm | 深度 |
| b1 | 22 mm | 寬度 |
| dADE | 3.9 mm | 內徑 |
| s | 0.6 mm | 厚度 |
KWVE45-B.. | 可用托架 | |
KUVE45-B.. | 可用的線性系統 |
| Size code | 45 | |
| Length | ~6000 | |
| Guideway design | ADE | 用於不銹鋼蓋條,可重複使用,可滑入到位 |