PRODUCTS
- 首頁
- 產品介紹
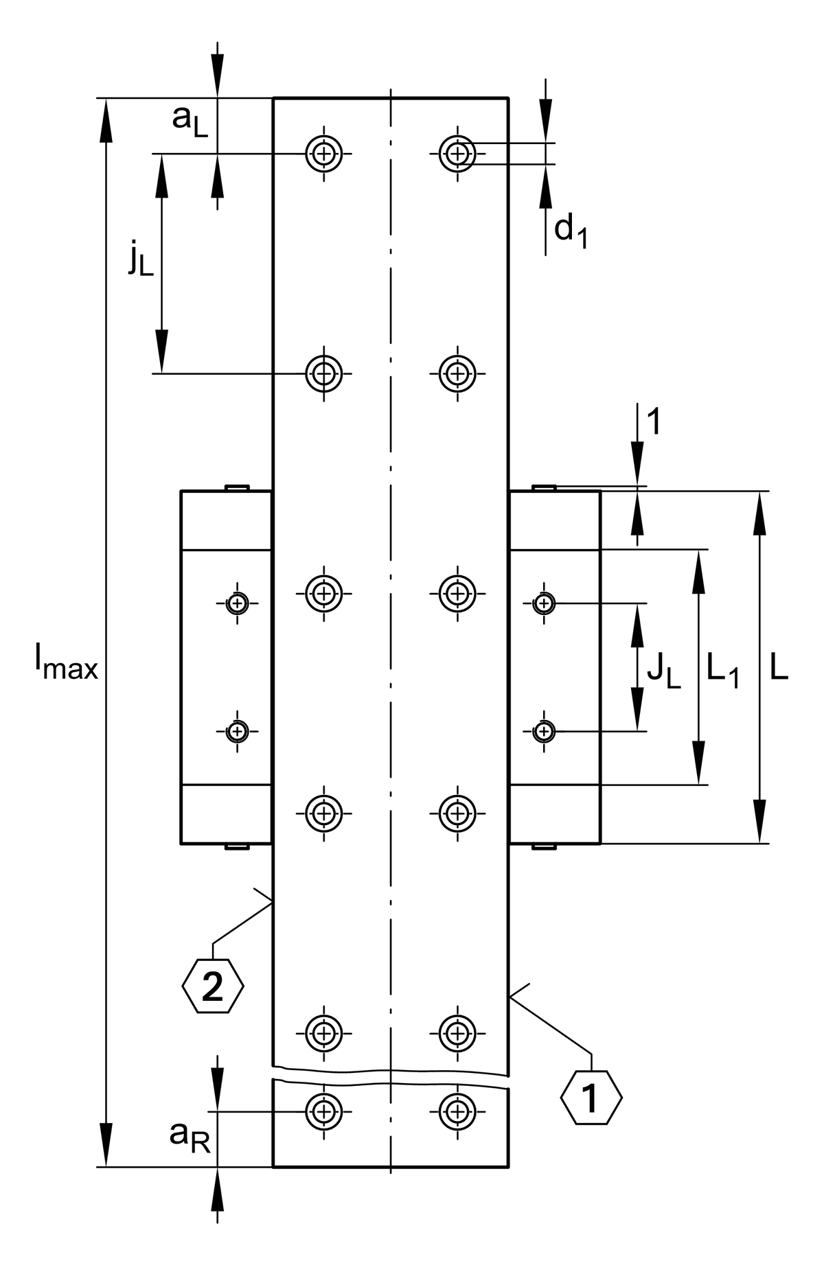
| h | 10 mm | 高度 |
| b | 31.8 mm | 寬度 |
| ≈m | 2.3 kg/m | 重量 |
| K1 MA | 2.5 Nm | Tightening torque |
| d1 | 3.8 mm | 內徑 |
| lmax | 1,960 mm | Max length single piece guideway 1 |
| aL max | 34 mm | Distance 2 |
| aL min | 20 mm | Distance 2 |
| aR max | 34 mm | Distance 2 |
| aR min | 20 mm | Distance 2 |
| jL | 40 mm | 增量 |
| jB | 18 mm | 增量 |
| a5 | 6.9 mm | Distance |
| h1 | 3.4 mm | 長度 |
| Size code | 32 |