PRODUCTS
- 首頁
- 產品介紹
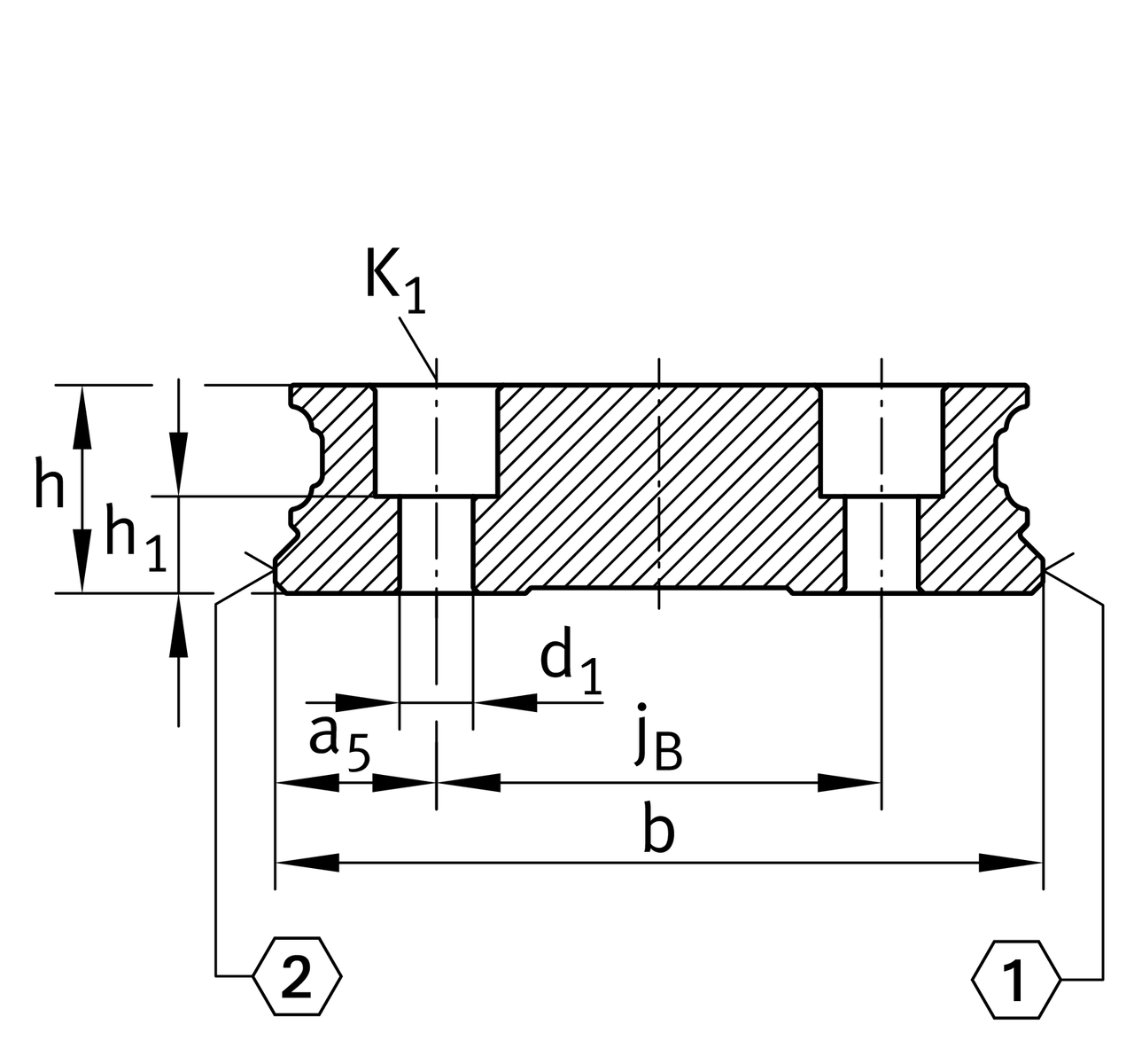
| h | 18.7 mm | 高度 |
| b | 69 mm | 寬度 |
| Tol b | -0.005 mm | 公差上限 |
| Tol b | -0.035 mm | 較低的公差 |
| ≈m | 9.4 kg/m | 重量 |
| K1 | M6 | 線 |
| K1 MA | 17 Nm | Tightening torque 1 |
| d1 | 6.8 mm | 內徑 |
| lmax | 6,000 mm | Max length single piece guideway 2 |
| aL max | 71 mm | Distance 3 |
| aL min | 20 mm | Distance 3 |
| aR max | 71 mm | Distance 3 |
| aR min | 20 mm | Distance 3 |
| jL | 80 mm | 增量 |
| jB | 40 mm | 增量 |
| a5 | 14.5 mm | Distance |
| h1 | 8.2 mm | 長度 |
| Tol h1 | 0.5 mm | 公差上限 |
| Tol h1 | -0.5 mm | 距離 距離 |
KWVE25-W... | 可用托架 | |
KUVE25-W... | 可用的線性系統 |
| Size code | 25 | |
| Length | ~6000 | |
| Guideway design | W | wide execution |